lemon-mirror:
Home >> Lexus >> 2005 >> LS 430 >> Repair and Diagnosis >> Body & Frame >> Windows >> Windshield/WINDOWGLASS/Mirror >> Power Mirror Control System >> System Diagram

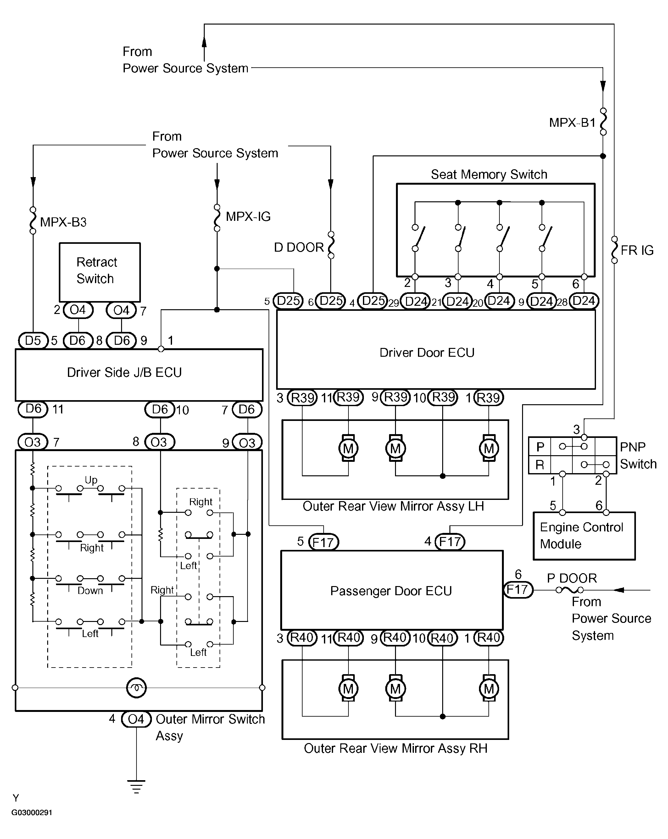
System Diagram

Fig 1: Power Mirror Control System Diagram
G03000291Courtesy of © TOYOTA, LICENSE AGREEMENT TMS1002