lemon-mirror:
Home >> Lexus >> 2005 >> LS 430 >> Repair and Diagnosis >> Electrical >> Charging Systems >> Starting & Charging >> Charging System >> System Diagram

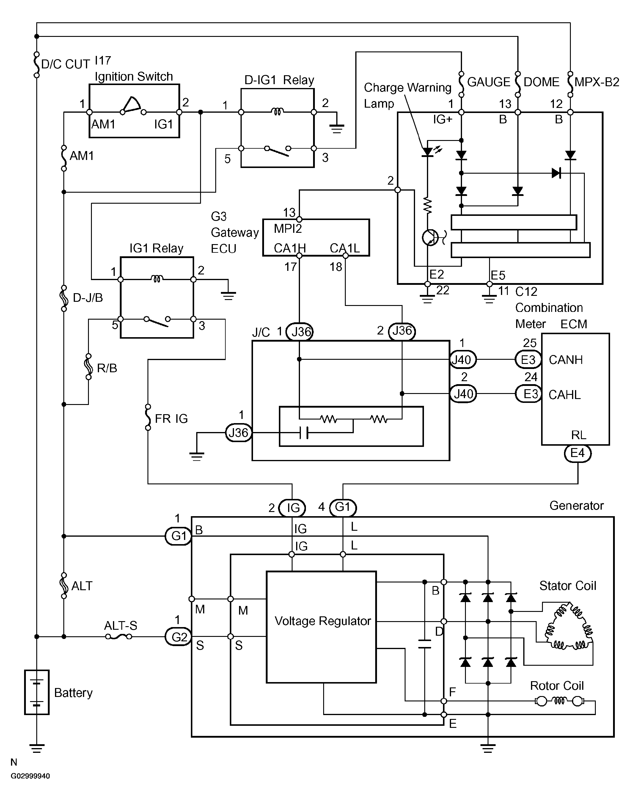
System Diagram

The charging system uses the voltage regulator to regulate electricity that is generated by the rotations of the rotor coil and stores this electricity in the battery.

Fig 1: Identifying Charging System Diagram
G02999940Courtesy of © TOYOTA, LICENSE AGREEMENT TMS1002