lemon-mirror:
Home >> Lexus >> 2005 >> LS 430 >> Repair and Diagnosis >> Engine Performance >> SFI System - Diagnostics >> SFI System >> System Diagram

System Diagram

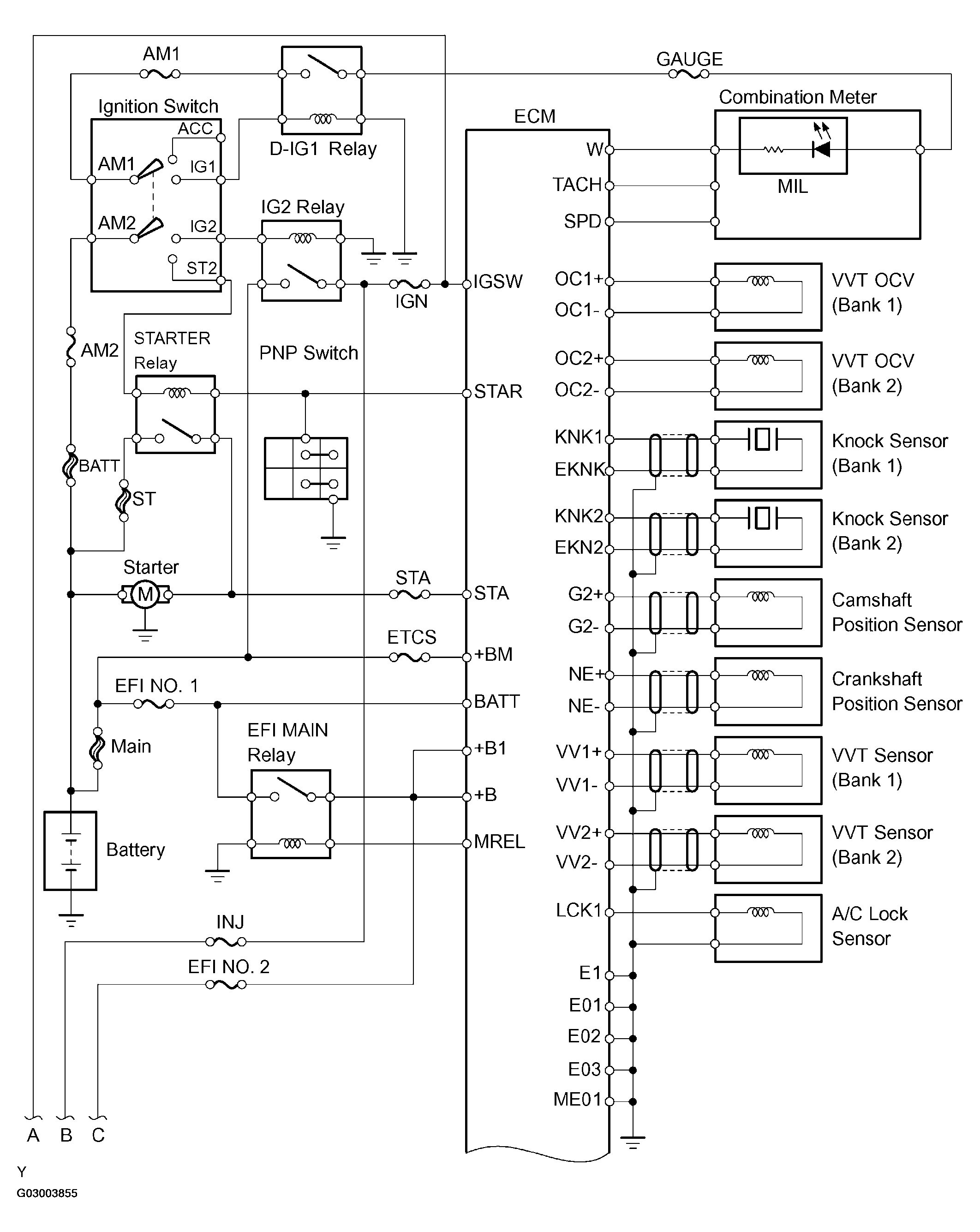
Fig 1: SFI System Diagram (1 Of 3)
G03003855Courtesy of © TOYOTA, LICENSE AGREEMENT TMS1002
Fig 2: SFI System Diagram (2 Of 3)
G03003856Courtesy of © TOYOTA, LICENSE AGREEMENT TMS1002
Fig 3: SFI System Diagram (3 Of 3)
G03003857Courtesy of © TOYOTA, LICENSE AGREEMENT TMS1002