lemon-mirror:
Home >> Lexus >> 2005 >> LX 470 >> Repair and Diagnosis >> Electrical >> Gauges >> Combination Meter >> Circuit

Combination Meter: Circuit

Fig 1: Identifying Combination Meter Connectors
G02993871Courtesy of © TOYOTA, LICENSE AGREEMENT TMS1002
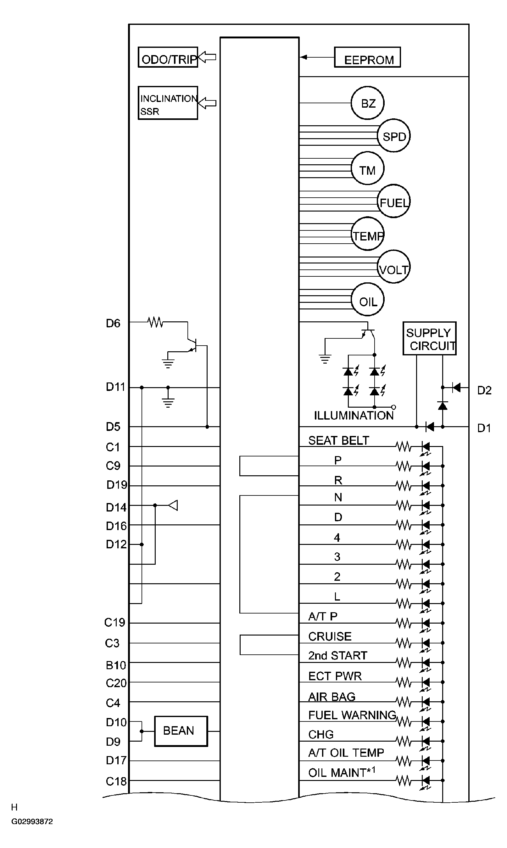
Fig 2: Identifying Combination Meter Wiring Diagram (1 Of 2)
G02993872Courtesy of © TOYOTA, LICENSE AGREEMENT TMS1002
Fig 3: Identifying Combination Meter Wiring Diagram (2 Of 2)
G02993873Courtesy of © TOYOTA, LICENSE AGREEMENT TMS1002
Fig 4: Identifying Combination Meter Connector Terminal Usage
G02993874Courtesy of © TOYOTA, LICENSE AGREEMENT TMS1002