lemon-mirror:
Home >> Lexus >> 2005 >> SC 430 >> Repair and Diagnosis >> Electrical >> Charging Systems >> Starting & Charging >> Starting System >> System Diagram

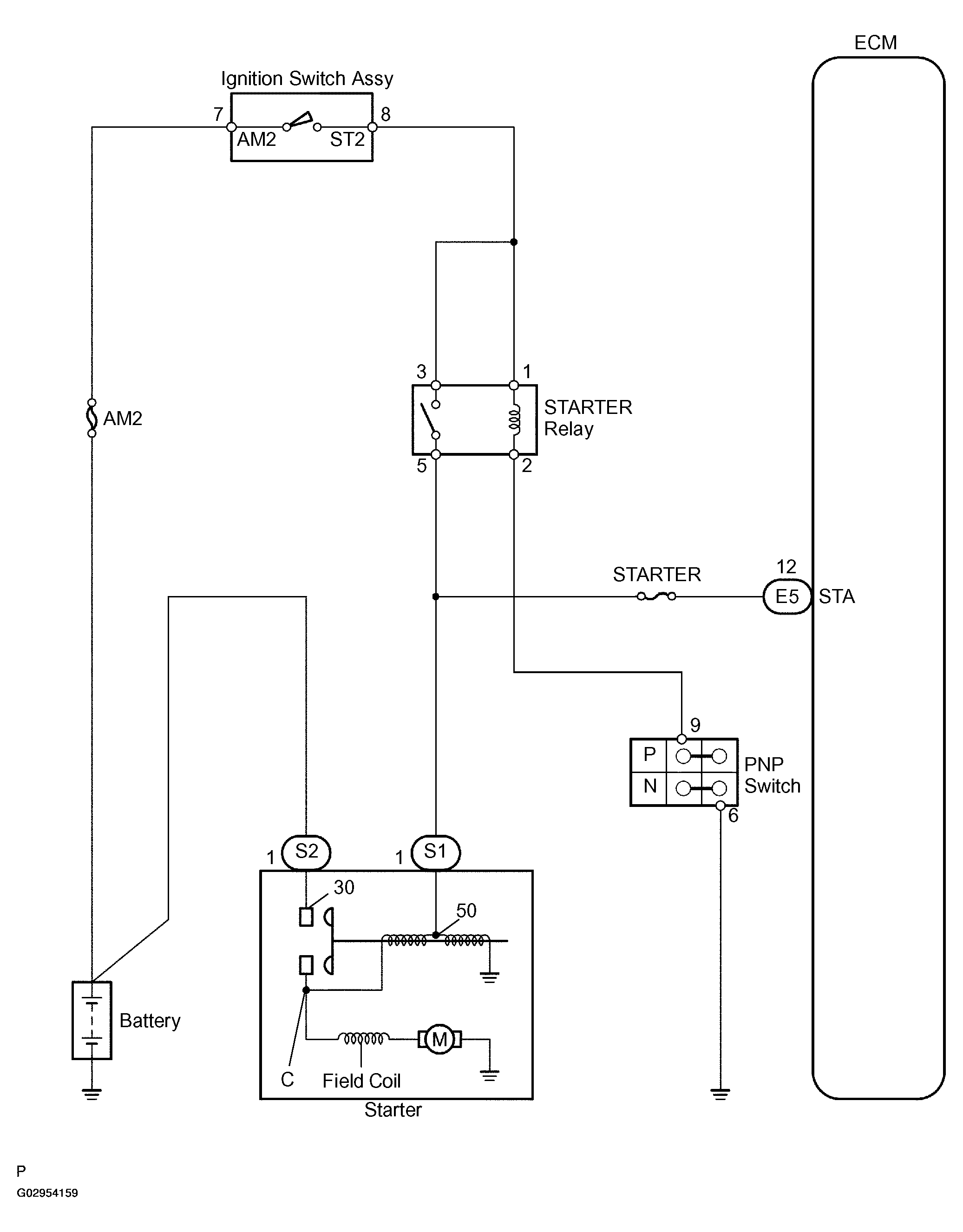
System Diagram

The starting system rotates the starter motor according to the signals from the ignition switch.

Fig 1: Starting System Diagram
G02954159Courtesy of © TOYOTA, LICENSE AGREEMENT TMS1002