lemon-mirror:
Home >> Lexus >> 2005 >> SC 430 >> Repair and Diagnosis >> Engine Performance >> System >> SFI System - Diagnostics >> IACV Control Circuit >> Wiring Diagram

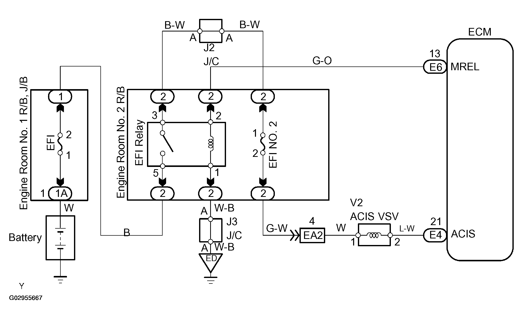
IACV Control Circuit: Wiring Diagram

Fig 1: IACV Control Wiring Diagram
G02955667Courtesy of © TOYOTA, LICENSE AGREEMENT TMS1002