lemon-mirror:
Home >> Lexus >> 2005 >> SC 430 >> Repair and Diagnosis >> Engine Performance >> System >> SFI System - Diagnostics >> System Diagram

System Diagram

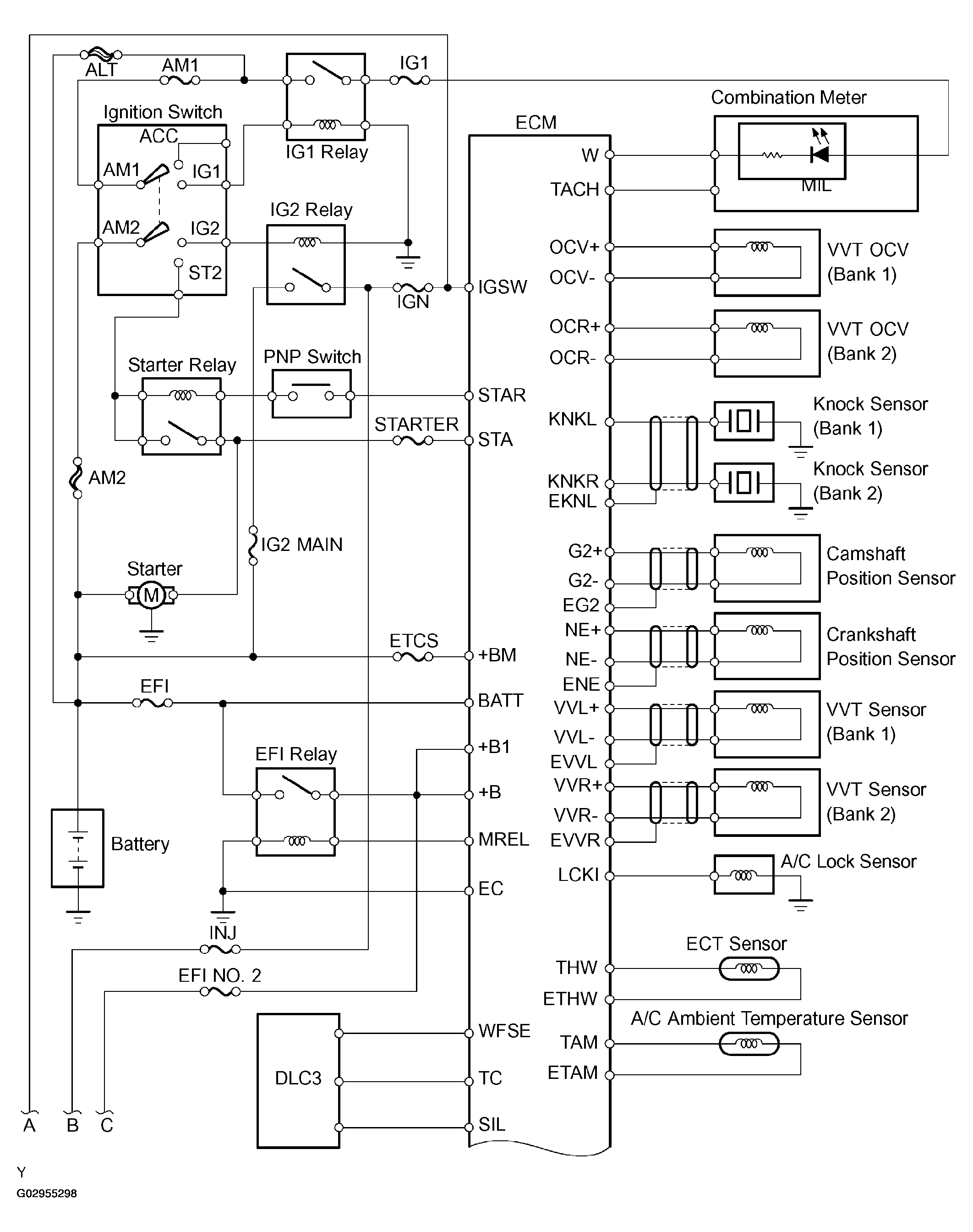
Fig 1: SFI System Diagram Components (1 Of 3)
G02955298Courtesy of © TOYOTA, LICENSE AGREEMENT TMS1002
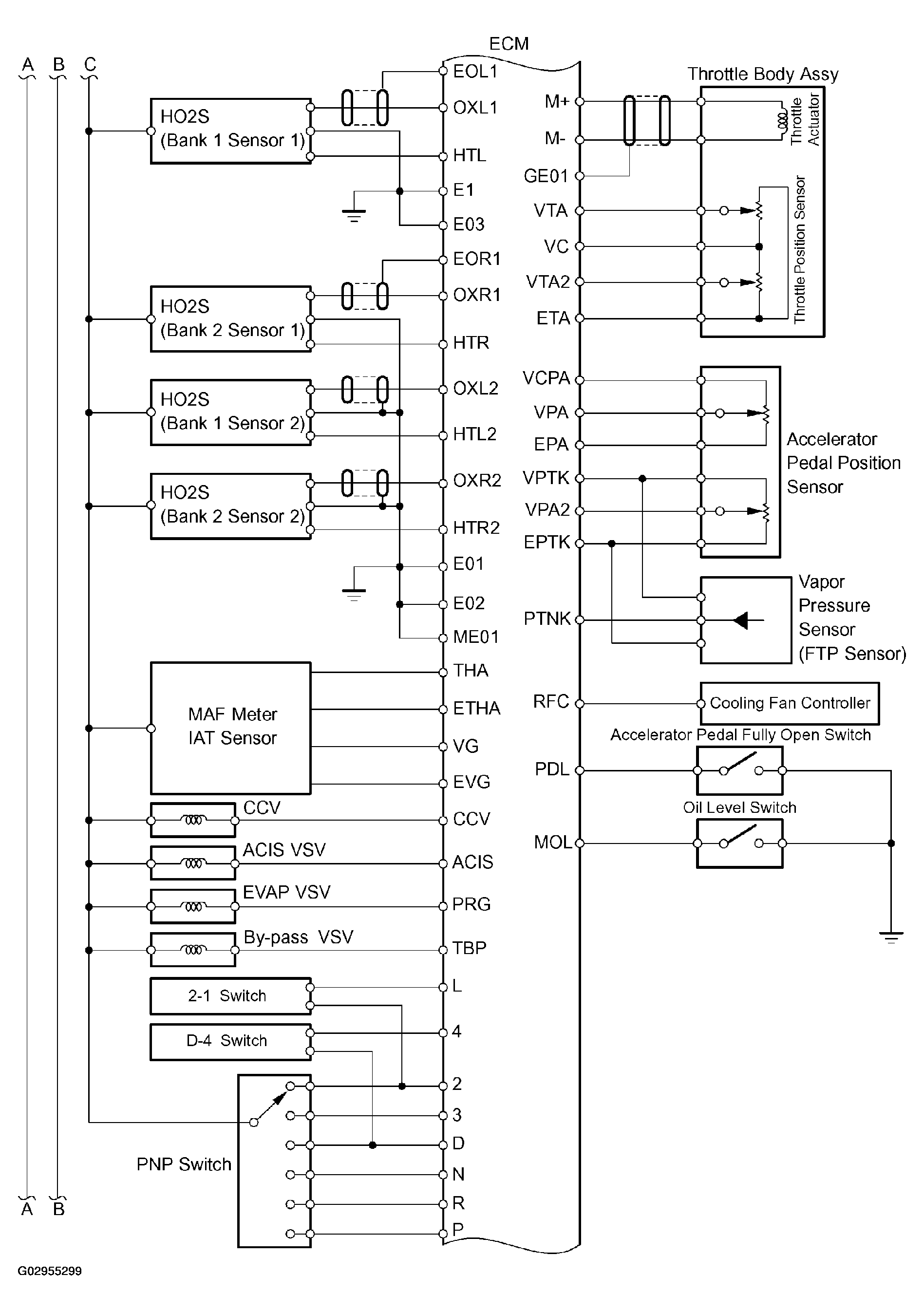
Fig 2: SFI System Diagram Components (2 Of 3)
G02955299Courtesy of © TOYOTA, LICENSE AGREEMENT TMS1002
Fig 3: SFI System Diagram Components (3 Of 3)
G02955300Courtesy of © TOYOTA, LICENSE AGREEMENT TMS1002