lemon-mirror:
Home >> Lexus >> 2006 >> ES 330 >> Repair and Diagnosis >> Electrical >> Body Electrical >> OEM System Circuits >> Clock >> Notes

OEM System Circuits: Clock: Notes

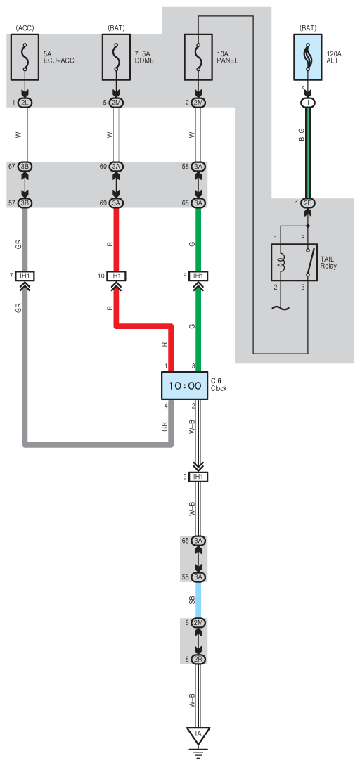
Fig 1: Clock - Wiring Diagram
G08930077Courtesy of © TOYOTA, LICENSE AGREEMENT TMS1002