lemon-mirror:
Home >> Lexus >> 2006 >> ES 330 >> Repair and Diagnosis >> Electrical >> Body Electrical >> OEM System Circuits >> Combination Meter >> Notes

Combination Meter: Notes

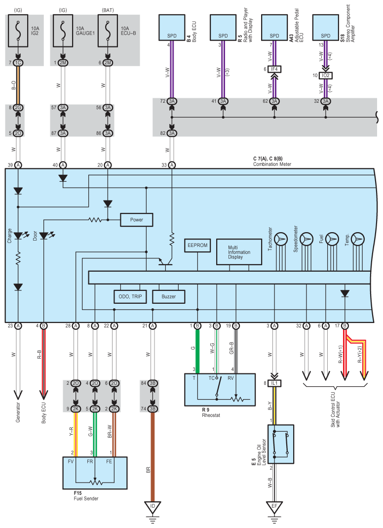
Fig 1: Combination Meter - Wiring Diagram (1 Of 4)
G08930115Courtesy of © TOYOTA, LICENSE AGREEMENT TMS1002
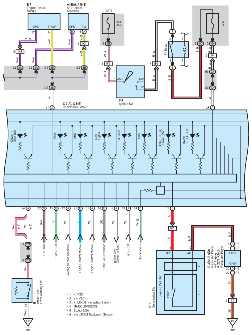
Fig 2: Combination Meter - Wiring Diagram (2 Of 4)
G08930116Courtesy of © TOYOTA, LICENSE AGREEMENT TMS1002
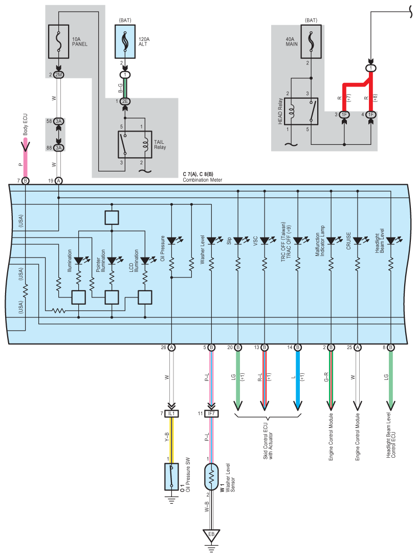
Fig 3: Combination Meter - Wiring Diagram (3 Of 4)
G08930117Courtesy of © TOYOTA, LICENSE AGREEMENT TMS1002
Fig 4: Combination Meter - Wiring Diagram (4 Of 4)
G08930118Courtesy of © TOYOTA, LICENSE AGREEMENT TMS1002