lemon-mirror:
Home >> Lexus >> 2006 >> ES 330 >> Repair and Diagnosis >> Electrical >> Body Electrical >> OEM System Circuits >> Headlight with Daytime Running Light >> Notes

Headlight with Daytime Running Light: Notes

Fig 1: Headlight With Daytime Running Light - Wiring Diagram (1 Of 3)
G08930019Courtesy of © TOYOTA, LICENSE AGREEMENT TMS1002
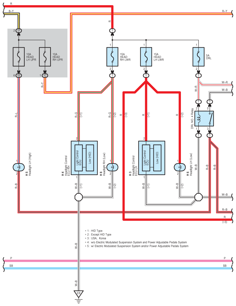
Fig 2: Headlight With Daytime Running Light - Wiring Diagram (2 Of 3)
G08930020Courtesy of © TOYOTA, LICENSE AGREEMENT TMS1002
Fig 3: Headlight With Daytime Running Light - Wiring Diagram (3 Of 3)
G08930021Courtesy of © TOYOTA, LICENSE AGREEMENT TMS1002