lemon-mirror:
Home >> Lexus >> 2006 >> ES 330 >> Repair and Diagnosis >> Electrical >> Body Electrical >> OEM System Circuits >> Interior Light >> Notes

Interior Light: Notes

Fig 1: Interior Light - Wiring Diagram (1 Of 4)
G08930024Courtesy of © TOYOTA, LICENSE AGREEMENT TMS1002
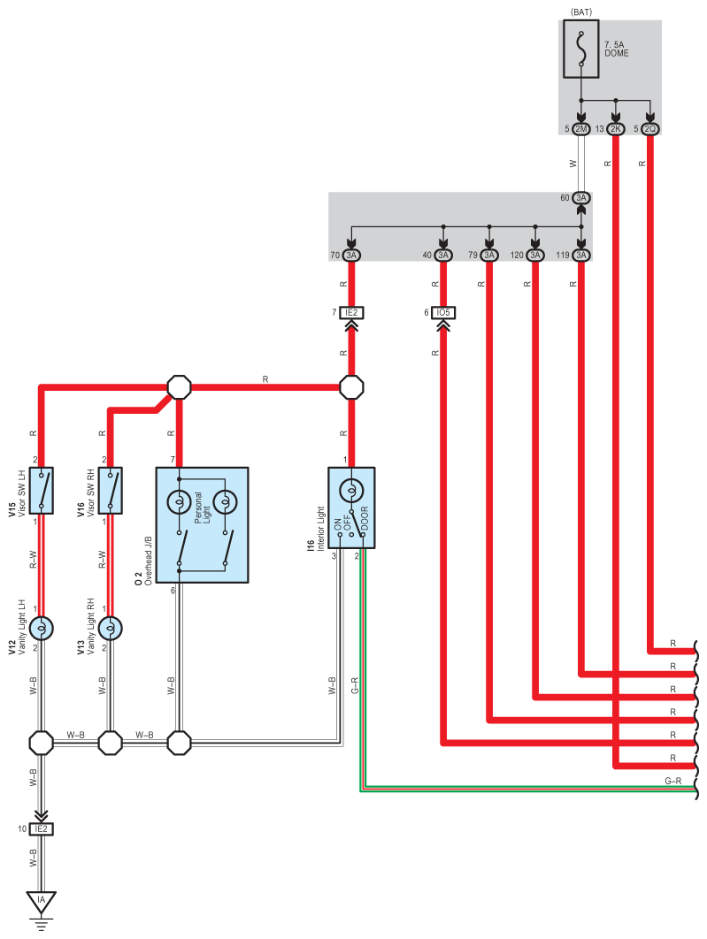
Fig 2: Interior Light - Wiring Diagram (2 Of 4)
G08930025Courtesy of © TOYOTA, LICENSE AGREEMENT TMS1002
Fig 3: Interior Light - Wiring Diagram (3 Of 4)
G08930026Courtesy of © TOYOTA, LICENSE AGREEMENT TMS1002
Fig 4: Interior Light - Wiring Diagram (4 Of 4)
G08930027Courtesy of © TOYOTA, LICENSE AGREEMENT TMS1002