lemon-mirror:
Home >> Lexus >> 2006 >> ES 330 >> Repair and Diagnosis >> Electrical >> Body Electrical >> OEM System Circuits >> Key Reminder >> Notes

Key Reminder: Notes

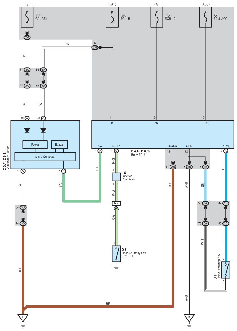
Fig 1: Key Reminder - Wiring Diagram
G08930030Courtesy of © TOYOTA, LICENSE AGREEMENT TMS1002