lemon-mirror:
Home >> Lexus >> 2006 >> ES 330 >> Repair and Diagnosis >> Electrical >> Body Electrical >> OEM System Circuits >> Moon Roof >> Notes

Moon Roof: Notes

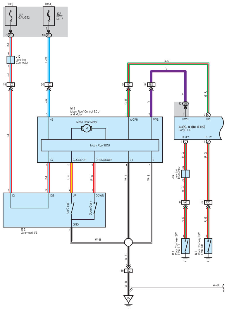
Fig 1: Moon Roof - Wiring Diagram (1 Of 2)
G08930093Courtesy of © TOYOTA, LICENSE AGREEMENT TMS1002
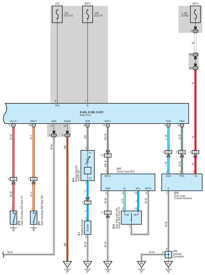
Fig 2: Moon Roof - Wiring Diagram (2 Of 2)
G08930094Courtesy of © TOYOTA, LICENSE AGREEMENT TMS1002