lemon-mirror:
Home >> Lexus >> 2006 >> ES 330 >> Repair and Diagnosis >> Electrical >> Body Electrical >> OEM System Circuits >> Remote Control Mirror with Driving Position Memory >> Notes

Remote Control Mirror with Driving Position Memory: Notes

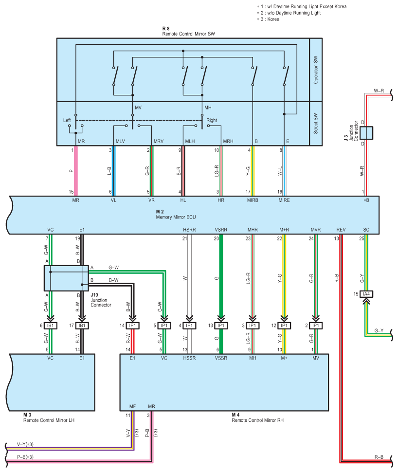
Fig 1: Remote Control Mirror With Driving Position Memory - Wiring Diagram (1 Of 3)
G08930084Courtesy of © TOYOTA, LICENSE AGREEMENT TMS1002
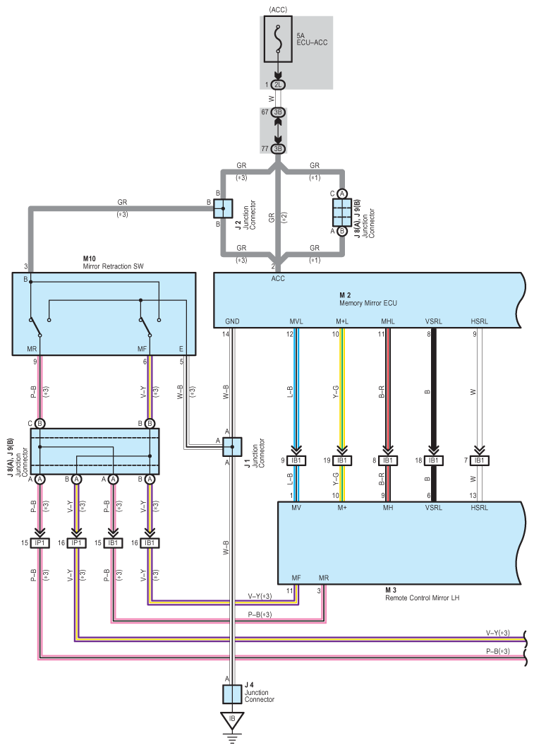
Fig 2: Remote Control Mirror With Driving Position Memory - Wiring Diagram (2 Of 3)
G08930085Courtesy of © TOYOTA, LICENSE AGREEMENT TMS1002
Fig 3: Remote Control Mirror With Driving Position Memory - Wiring Diagram (3 Of 3)
G08930086Courtesy of © TOYOTA, LICENSE AGREEMENT TMS1002