lemon-mirror:
Home >> Lexus >> 2006 >> ES 330 >> Repair and Diagnosis >> Electrical >> Body Electrical >> OEM System Circuits >> Wireless Door Lock Control >> Notes

Wireless Door Lock Control: Notes

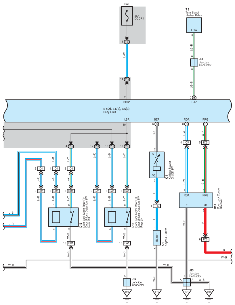
Fig 1: Wireless Door Lock Control - Wiring Diagram (1 Of 4)
G08930036Courtesy of © TOYOTA, LICENSE AGREEMENT TMS1002
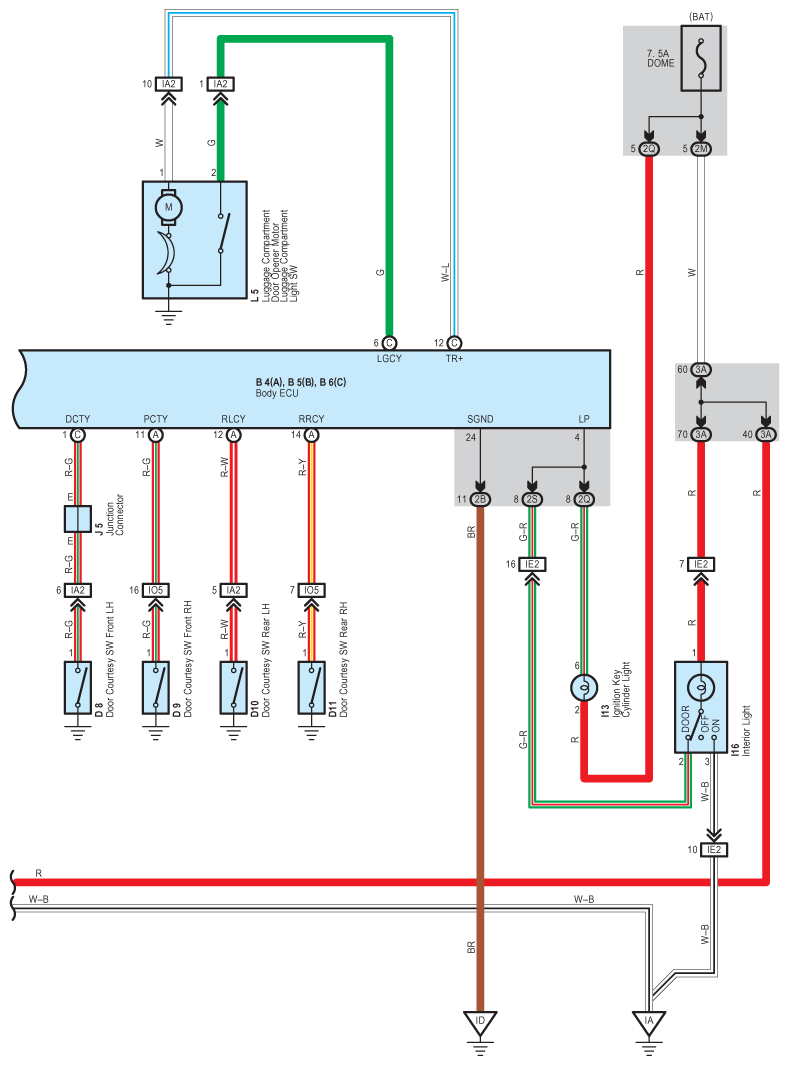
Fig 2: Wireless Door Lock Control - Wiring Diagram (2 Of 4)
G08930037Courtesy of © TOYOTA, LICENSE AGREEMENT TMS1002
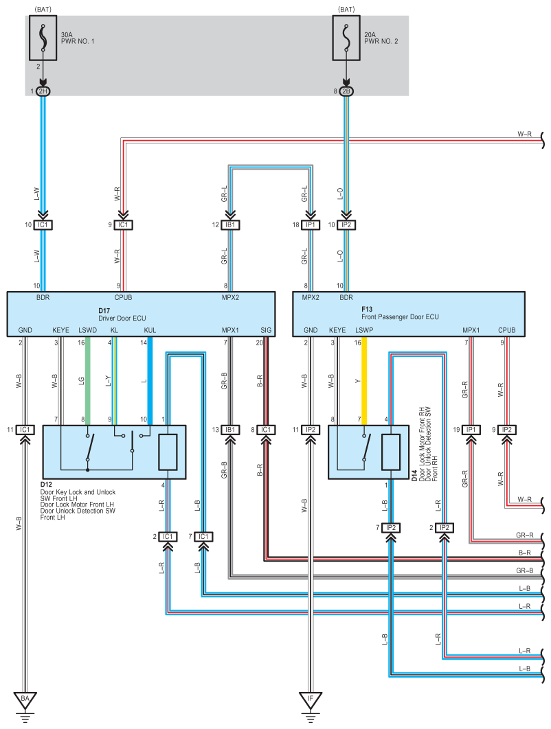
Fig 3: Wireless Door Lock Control - Wiring Diagram (3 Of 4)
G08930038Courtesy of © TOYOTA, LICENSE AGREEMENT TMS1002
Fig 4: Wireless Door Lock Control - Wiring Diagram (4 Of 4)
G08930039Courtesy of © TOYOTA, LICENSE AGREEMENT TMS1002