lemon-mirror:
Home >> Lexus >> 2006 >> GS 430 >> Repair and Diagnosis >> Electrical >> Body Electrical >> OEM System Circuits >> Adaptive Front-Lighting System >> Notes

Adaptive Front-Lighting System: Notes

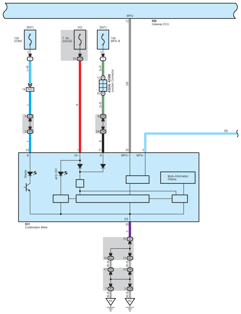
Fig 1: Adaptive Front-Lighting System Wiring Diagram (1 Of 8)
G08910345Courtesy of © TOYOTA, LICENSE AGREEMENT TMS1002
Fig 2: Adaptive Front-Lighting System Wiring Diagram (2 Of 8)
G08910346Courtesy of © TOYOTA, LICENSE AGREEMENT TMS1002
Fig 3: Adaptive Front-Lighting System Wiring Diagram (3 Of 8)
G08910347Courtesy of © TOYOTA, LICENSE AGREEMENT TMS1002
Fig 4: Adaptive Front-Lighting System Wiring Diagram (4 Of 8)
G08910348Courtesy of © TOYOTA, LICENSE AGREEMENT TMS1002
Fig 5: Adaptive Front-Lighting System Wiring Diagram (5 Of 8)
G08910349Courtesy of © TOYOTA, LICENSE AGREEMENT TMS1002
Fig 6: Adaptive Front-Lighting System Wiring Diagram (6 Of 8)
G08910350Courtesy of © TOYOTA, LICENSE AGREEMENT TMS1002
Fig 7: Adaptive Front-Lighting System Wiring Diagram (7 Of 8)
G08910351Courtesy of © TOYOTA, LICENSE AGREEMENT TMS1002
Fig 8: Adaptive Front-Lighting System Wiring Diagram (8 Of 8)
G08910352Courtesy of © TOYOTA, LICENSE AGREEMENT TMS1002