lemon-mirror:
Home >> Lexus >> 2006 >> GS 430 >> Repair and Diagnosis >> Electrical >> Body Electrical >> OEM System Circuits >> Back-Up Light >> Notes

Back-Up Light: Notes

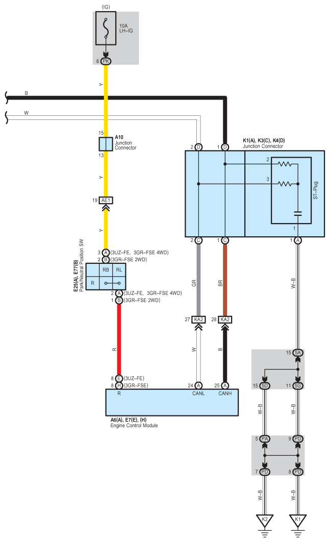
Fig 1: Back-Up Light System Wiring Diagram (1 Of 3)
G08910331Courtesy of © TOYOTA, LICENSE AGREEMENT TMS1002
Fig 2: Back-Up Light System Wiring Diagram (2 Of 3)
G08910332Courtesy of © TOYOTA, LICENSE AGREEMENT TMS1002
Fig 3: Back-Up Light System Wiring Diagram (3 Of 3)
G08910333Courtesy of © TOYOTA, LICENSE AGREEMENT TMS1002