lemon-mirror:
Home >> Lexus >> 2006 >> GS 430 >> Repair and Diagnosis >> Electrical >> Body Electrical >> OEM System Circuits >> Charging >> Notes

OEM System Circuits: Charging: Notes

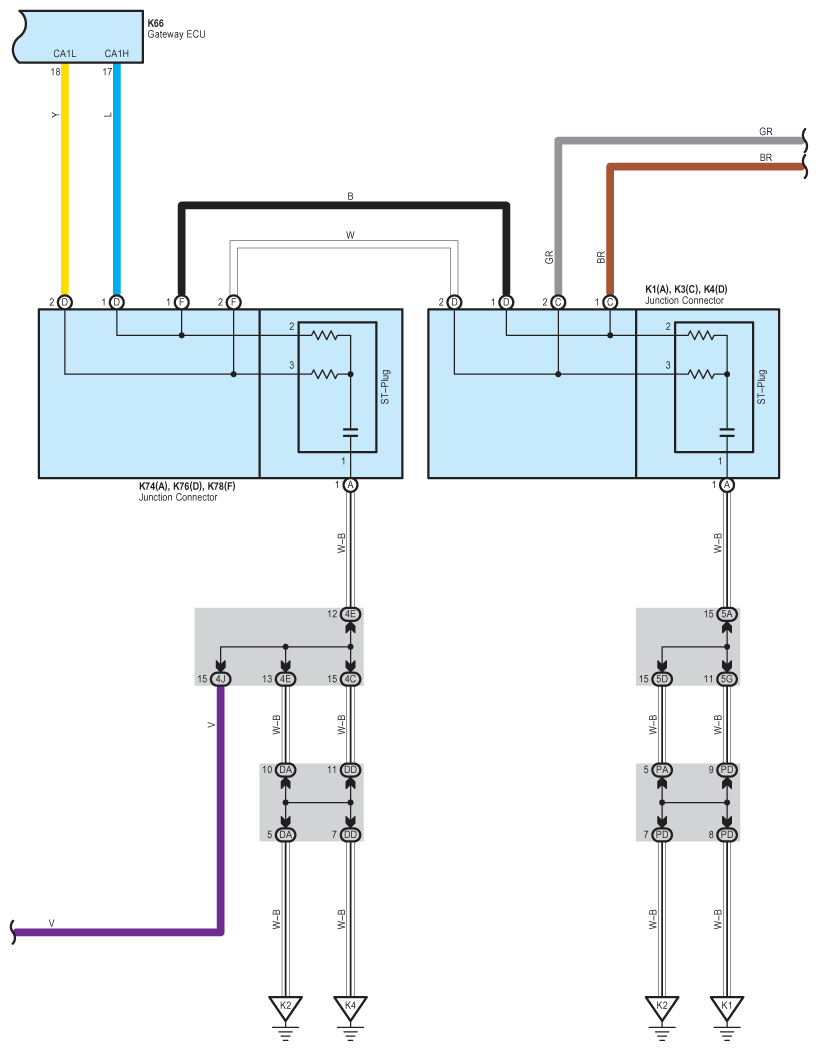
Fig 1: Charging System Wiring Diagram (1 Of 3)
G08910248Courtesy of © TOYOTA, LICENSE AGREEMENT TMS1002
Fig 2: Charging System Wiring Diagram (2 Of 3)
G08910249Courtesy of © TOYOTA, LICENSE AGREEMENT TMS1002
Fig 3: Charging System Wiring Diagram (3 Of 3)
G08910250Courtesy of © TOYOTA, LICENSE AGREEMENT TMS1002