lemon-mirror:
Home >> Lexus >> 2006 >> GS 430 >> Repair and Diagnosis >> Electrical >> Body Electrical >> OEM System Circuits >> Electronic Modulated Suspension >> Notes

Electronic Modulated Suspension: Notes

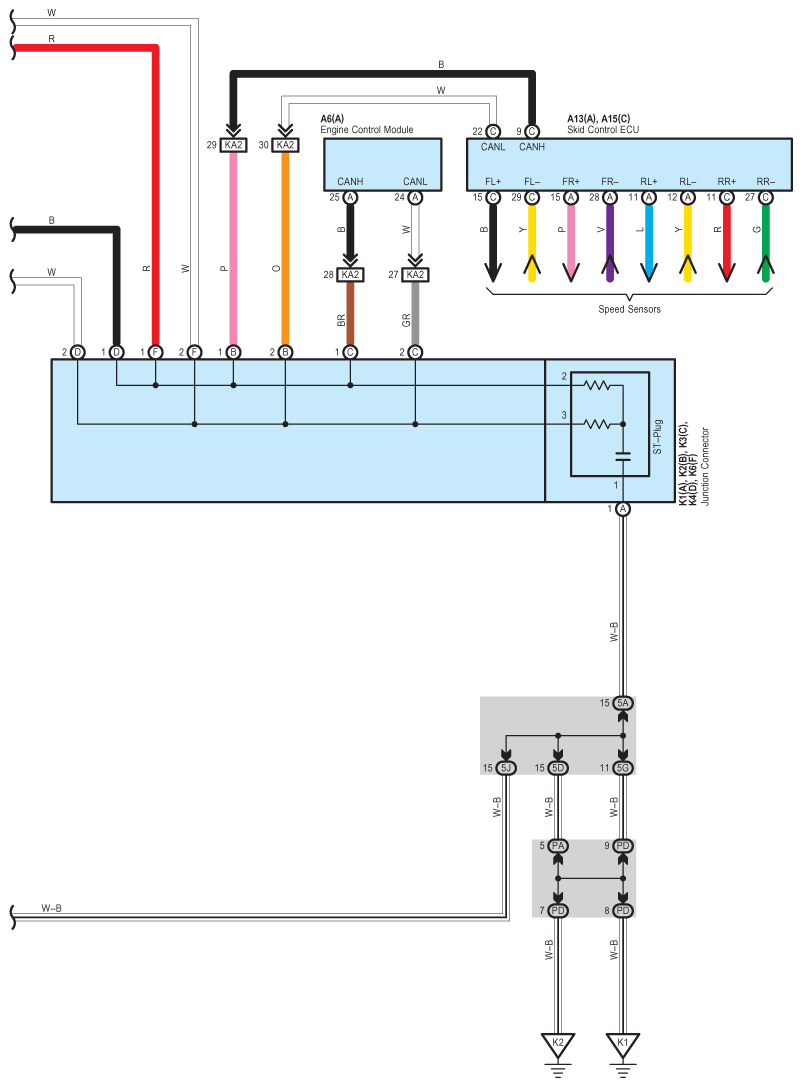
Fig 1: Electronic Modulated Suspension System Wiring Diagram (1 Of 7)
G08910521Courtesy of © TOYOTA, LICENSE AGREEMENT TMS1002
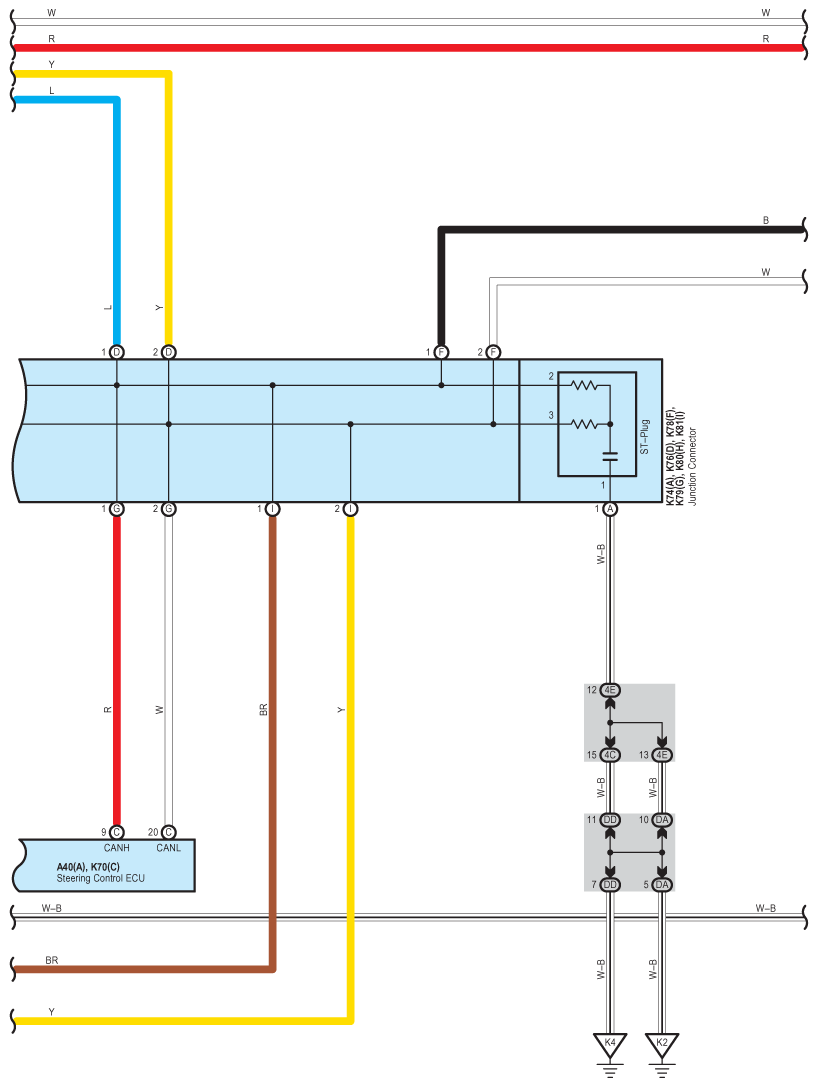
Fig 2: Electronic Modulated Suspension System Wiring Diagram (2 Of 7)
G08910522Courtesy of © TOYOTA, LICENSE AGREEMENT TMS1002
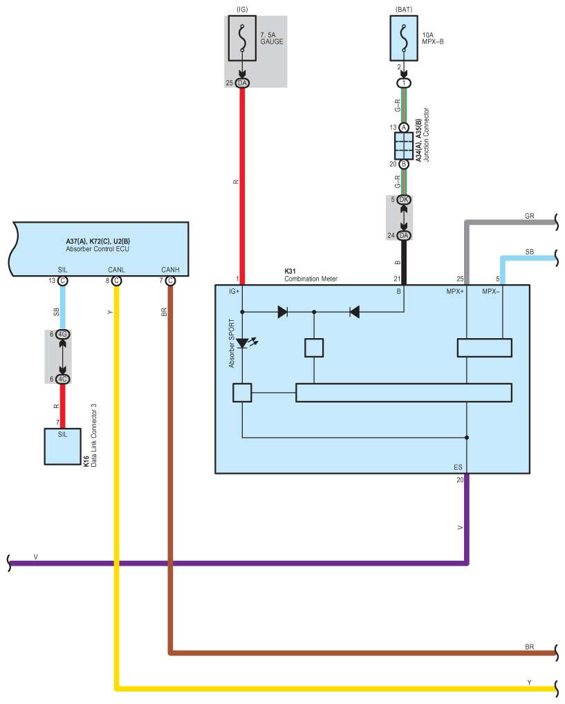
Fig 3: Electronic Modulated Suspension System Wiring Diagram (3 Of 7)
G08910523Courtesy of © TOYOTA, LICENSE AGREEMENT TMS1002
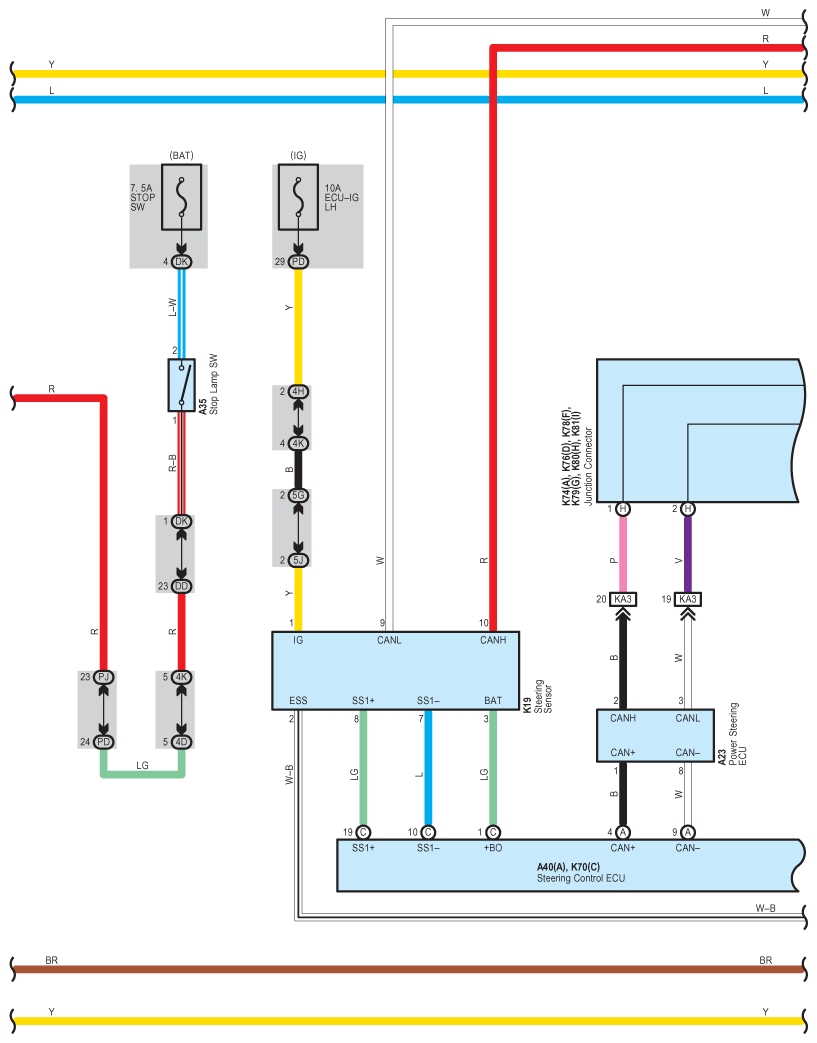
Fig 4: Electronic Modulated Suspension System Wiring Diagram (4 Of 7)
G08910524Courtesy of © TOYOTA, LICENSE AGREEMENT TMS1002
Fig 5: Electronic Modulated Suspension System Wiring Diagram (5 Of 7)
G08910525Courtesy of © TOYOTA, LICENSE AGREEMENT TMS1002
Fig 6: Electronic Modulated Suspension System Wiring Diagram (6 Of 7)
G08910526Courtesy of © TOYOTA, LICENSE AGREEMENT TMS1002
Fig 7: Electronic Modulated Suspension System Wiring Diagram (7 Of 7)
G08910527Courtesy of © TOYOTA, LICENSE AGREEMENT TMS1002