lemon-mirror:
Home >> Lexus >> 2006 >> GS 430 >> Repair and Diagnosis >> Electrical >> Body Electrical >> OEM System Circuits >> Fuel Lid Opener >> Notes

Fuel Lid Opener: Notes

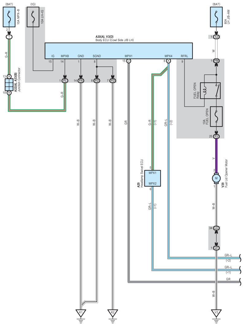
Fig 1: Fuel Lid Opener System Wiring Diagram (1 Of 2)
G08910550Courtesy of © TOYOTA, LICENSE AGREEMENT TMS1002
Fig 2: Fuel Lid Opener System Wiring Diagram (2 Of 2)
G08910551Courtesy of © TOYOTA, LICENSE AGREEMENT TMS1002