lemon-mirror:
Home >> Lexus >> 2006 >> GS 430 >> Repair and Diagnosis >> Electrical >> Body Electrical >> OEM System Circuits >> Illumination >> Notes

OEM System Circuits: Illumination: Notes

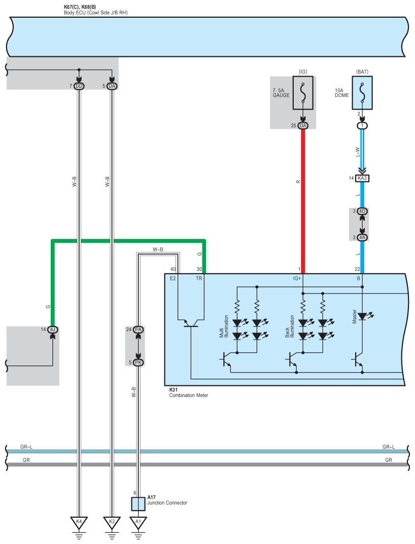
Fig 1: Illumination System Wiring Diagram (1 Of 10)
G08910312Courtesy of © TOYOTA, LICENSE AGREEMENT TMS1002
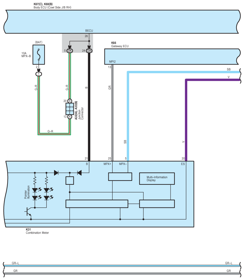
Fig 2: Illumination System Wiring Diagram (2 Of 10)
G08910313Courtesy of © TOYOTA, LICENSE AGREEMENT TMS1002
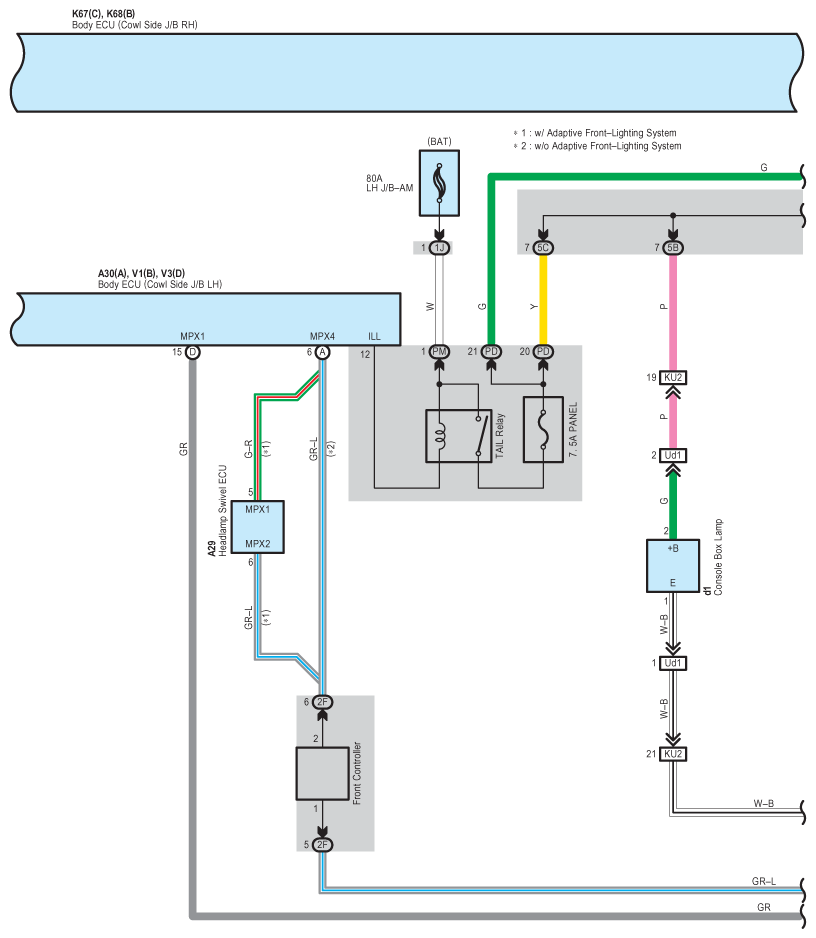
Fig 3: Illumination System Wiring Diagram (3 Of 10)
G08910314Courtesy of © TOYOTA, LICENSE AGREEMENT TMS1002
Fig 4: Illumination System Wiring Diagram (4 Of 10)
G08910315Courtesy of © TOYOTA, LICENSE AGREEMENT TMS1002
Fig 5: Illumination System Wiring Diagram (5 Of 10)
G08910316Courtesy of © TOYOTA, LICENSE AGREEMENT TMS1002
Fig 6: Illumination System Wiring Diagram (6 Of 10)
G08910317Courtesy of © TOYOTA, LICENSE AGREEMENT TMS1002
Fig 7: Illumination System Wiring Diagram (7 Of 10)
G08910318Courtesy of © TOYOTA, LICENSE AGREEMENT TMS1002
Fig 8: Illumination System Wiring Diagram (8 Of 10)
G08910319Courtesy of © TOYOTA, LICENSE AGREEMENT TMS1002
Fig 9: Illumination System Wiring Diagram (9 Of 10)
G08910320Courtesy of © TOYOTA, LICENSE AGREEMENT TMS1002
Fig 10: Illumination System Wiring Diagram (10 Of 10)
G08910321Courtesy of © TOYOTA, LICENSE AGREEMENT TMS1002