lemon-mirror:
Home >> Lexus >> 2006 >> GS 430 >> Repair and Diagnosis >> Electrical >> Body Electrical >> OEM System Circuits >> Taillight >> Notes

OEM System Circuits: Taillight: Notes

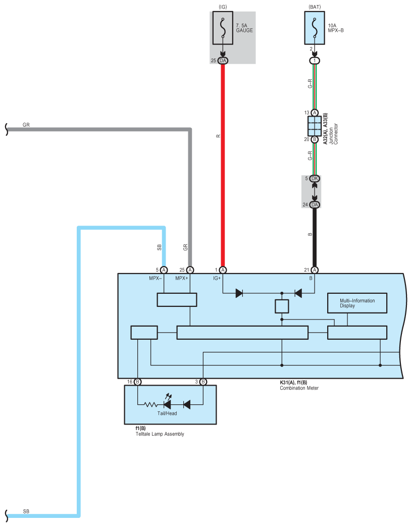
Fig 1: Taillight System Wiring Diagram (1 Of 7)
G08910322Courtesy of © TOYOTA, LICENSE AGREEMENT TMS1002
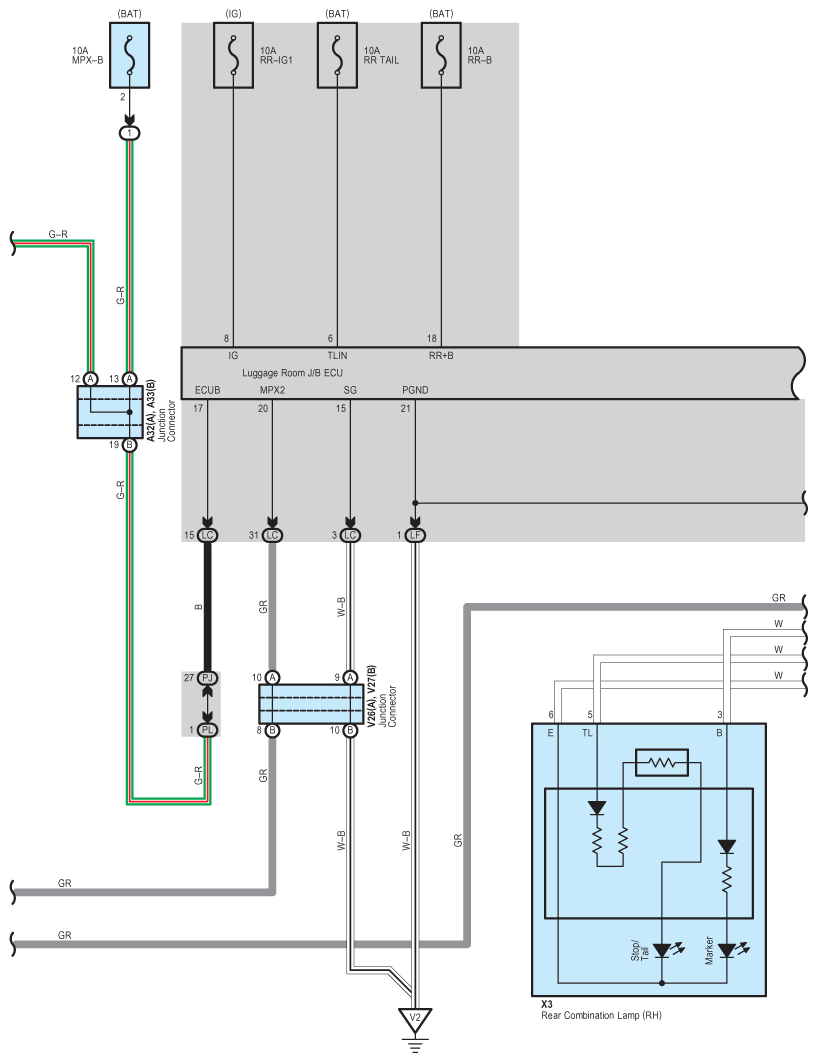
Fig 2: Taillight System Wiring Diagram (2 Of 7)
G08910323Courtesy of © TOYOTA, LICENSE AGREEMENT TMS1002
Fig 3: Taillight System Wiring Diagram (3 Of 7)
G08910324Courtesy of © TOYOTA, LICENSE AGREEMENT TMS1002
Fig 4: Taillight System Wiring Diagram (4 Of 7)
G08910325Courtesy of © TOYOTA, LICENSE AGREEMENT TMS1002
Fig 5: Taillight System Wiring Diagram (5 Of 7)
G08910326Courtesy of © TOYOTA, LICENSE AGREEMENT TMS1002
Fig 6: Taillight System Wiring Diagram (6 Of 7)
G08910327Courtesy of © TOYOTA, LICENSE AGREEMENT TMS1002
Fig 7: Taillight System Wiring Diagram (7 Of 7)
G08910328Courtesy of © TOYOTA, LICENSE AGREEMENT TMS1002