lemon-mirror:
Home >> Lexus >> 2006 >> GS 430 >> Repair and Diagnosis >> Electrical >> Body Electrical >> OEM System Circuits >> VGRS System >> Notes

VGRS System: Notes

Fig 1: VGRS System Wiring Diagram (1 Of 5)
G08910503Courtesy of © TOYOTA, LICENSE AGREEMENT TMS1002
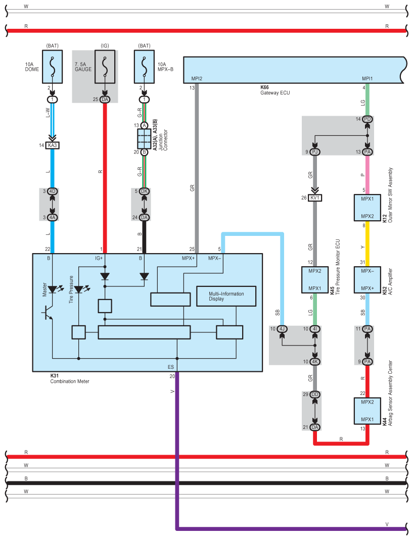
Fig 2: VGRS System Wiring Diagram (2 Of 5)
G08910504Courtesy of © TOYOTA, LICENSE AGREEMENT TMS1002
Fig 3: VGRS System Wiring Diagram (3 Of 5)
G08910505Courtesy of © TOYOTA, LICENSE AGREEMENT TMS1002
Fig 4: VGRS System Wiring Diagram (4 Of 5)
G08910506Courtesy of © TOYOTA, LICENSE AGREEMENT TMS1002
Fig 5: VGRS System Wiring Diagram (5 Of 5)
G08910507Courtesy of © TOYOTA, LICENSE AGREEMENT TMS1002