lemon-mirror:
Home >> Lexus >> 2006 >> GX 470 >> Repair and Diagnosis >> Electrical >> Body Electrical >> OEM System Circuits >> Accessory Meter >> Notes

Accessory Meter: Notes

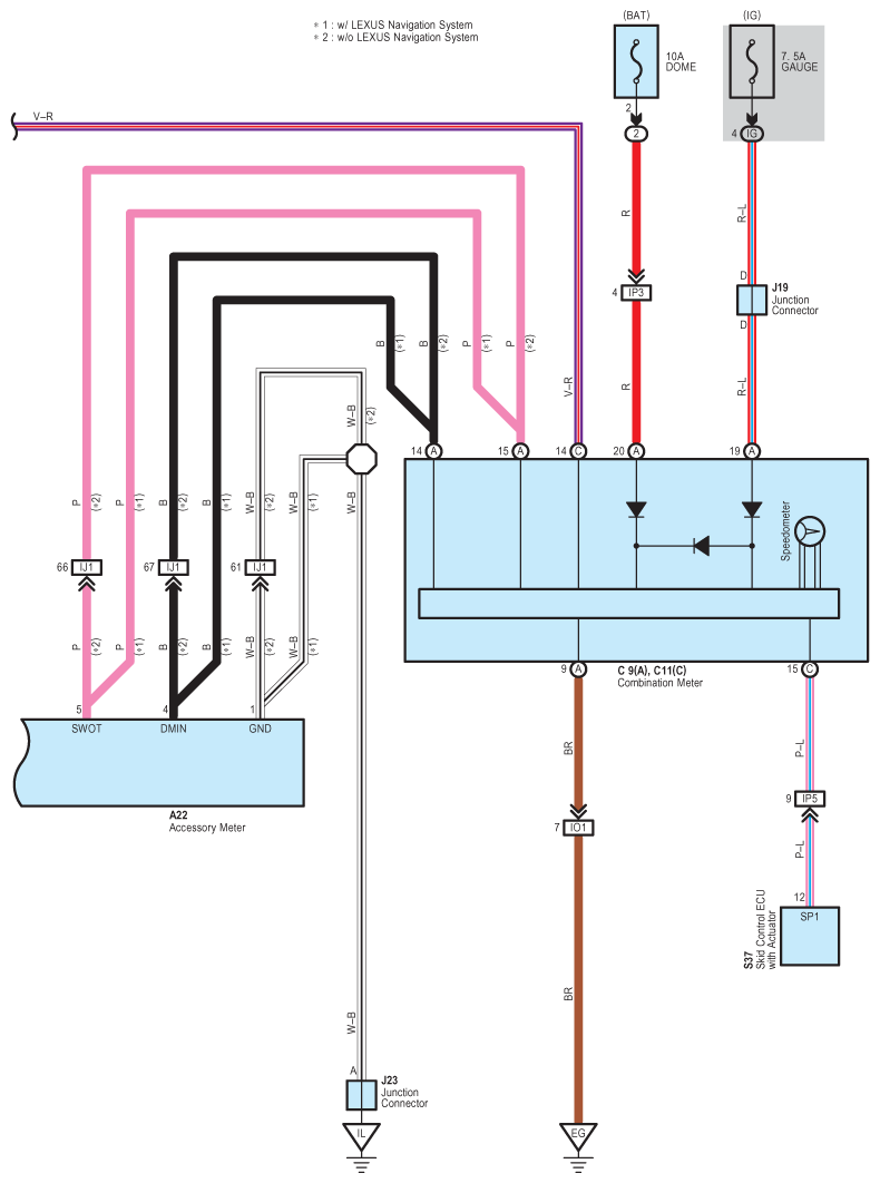
Fig 1: Accessory Meter Wiring Diagram (1 Of 2)
G08910163Courtesy of © TOYOTA, LICENSE AGREEMENT TMS1002
Fig 2: Accessory Meter Wiring Diagram (2 Of 2)
G08910164Courtesy of © TOYOTA, LICENSE AGREEMENT TMS1002