lemon-mirror:
Home >> Lexus >> 2006 >> GX 470 >> Repair and Diagnosis >> Electrical >> Body Electrical >> OEM System Circuits >> Center Differential Lock >> Notes

Center Differential Lock: Notes

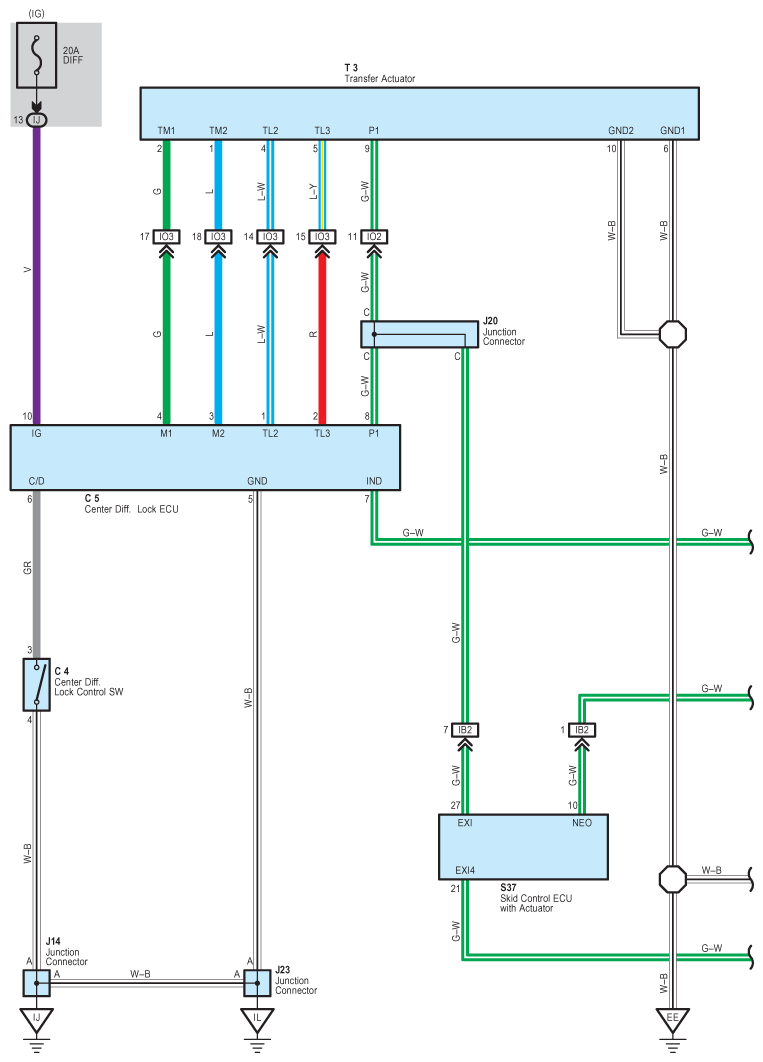
Fig 1: Center Differential Lock Wiring Diagram (1 Of 2)
G08910131Courtesy of © TOYOTA, LICENSE AGREEMENT TMS1002
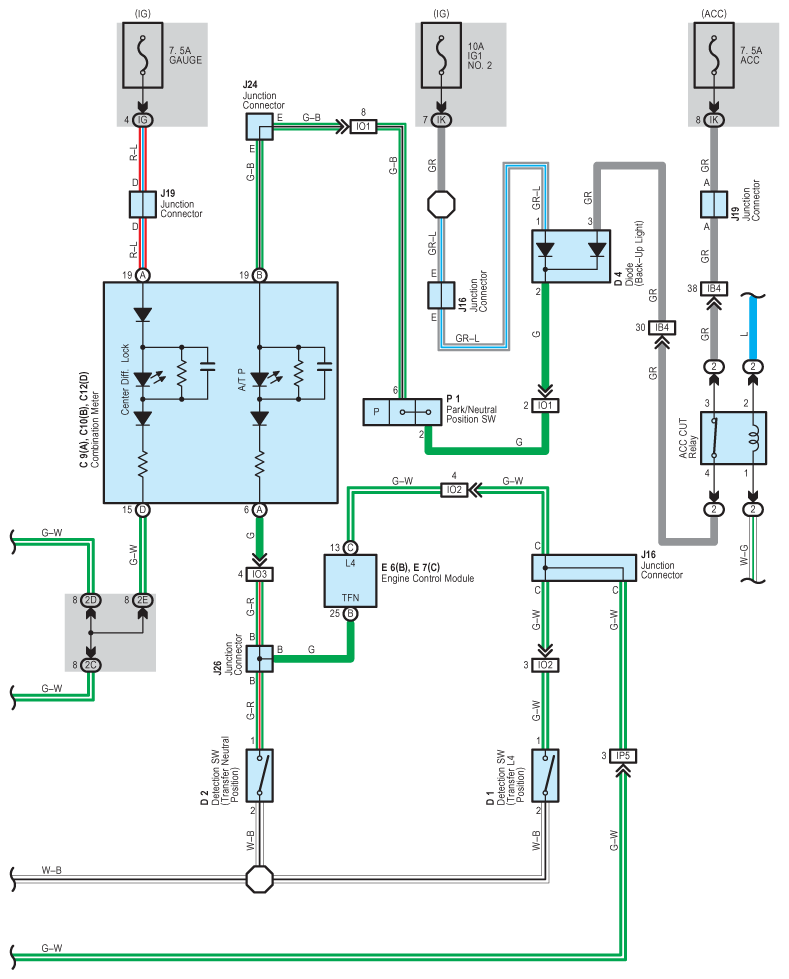
Fig 2: Center Differential Lock Wiring Diagram (2 Of 2)
G08910132Courtesy of © TOYOTA, LICENSE AGREEMENT TMS1002