lemon-mirror:
Home >> Lexus >> 2006 >> GX 470 >> Repair and Diagnosis >> Electrical >> Body Electrical >> OEM System Circuits >> ECT and A/T Indicator >> Notes

ECT and A/T Indicator: Notes

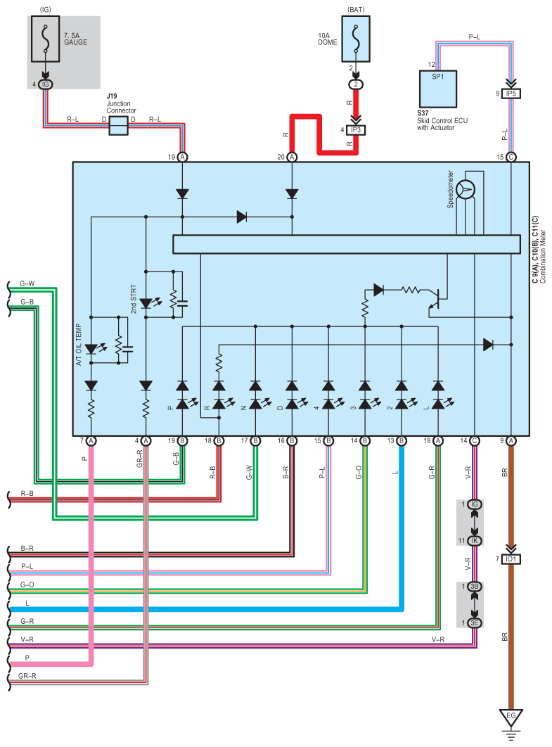
Fig 1: ECT And A/T Indicator Wiring Diagram (1 Of 7)
G08910106Courtesy of © TOYOTA, LICENSE AGREEMENT TMS1002
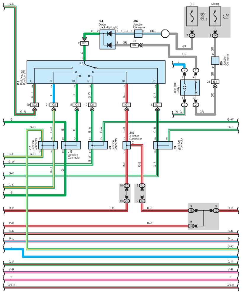
Fig 2: ECT And A/T Indicator Wiring Diagram (2 Of 7)
G08910107Courtesy of © TOYOTA, LICENSE AGREEMENT TMS1002
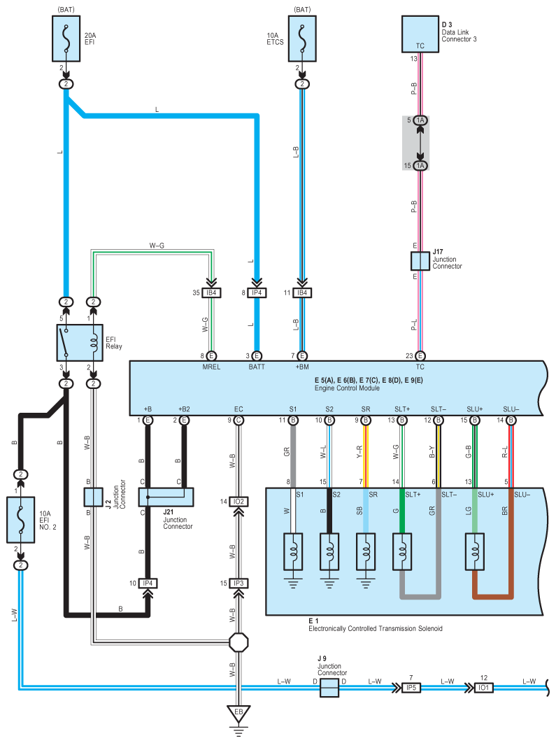
Fig 3: ECT And A/T Indicator Wiring Diagram (3 Of 7)
G08910108Courtesy of © TOYOTA, LICENSE AGREEMENT TMS1002
Fig 4: ECT And A/T Indicator Wiring Diagram (4 Of 7)
G08910109Courtesy of © TOYOTA, LICENSE AGREEMENT TMS1002
Fig 5: ECT And A/T Indicator Wiring Diagram (5 Of 7)
G08910110Courtesy of © TOYOTA, LICENSE AGREEMENT TMS1002
Fig 6: ECT And A/T Indicator Wiring Diagram (6 Of 7)
G08910111Courtesy of © TOYOTA, LICENSE AGREEMENT TMS1002
Fig 7: ECT And A/T Indicator Wiring Diagram (7 Of 7)
G08910112Courtesy of © TOYOTA, LICENSE AGREEMENT TMS1002