lemon-mirror:
Home >> Lexus >> 2006 >> GX 470 >> Repair and Diagnosis >> Electrical >> Body Electrical >> OEM System Circuits >> Engine Control >> Notes

Engine Control: Notes

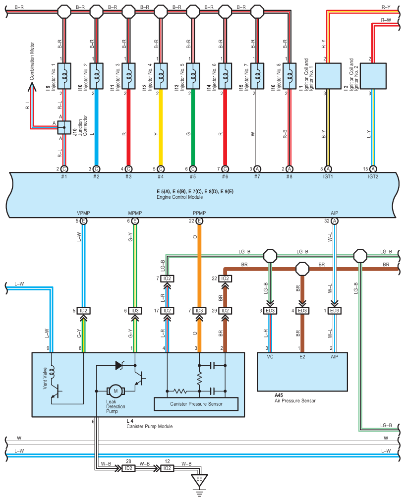
Fig 1: Engine Control Wiring Diagram (1 Of 11)
G08910013Courtesy of © TOYOTA, LICENSE AGREEMENT TMS1002
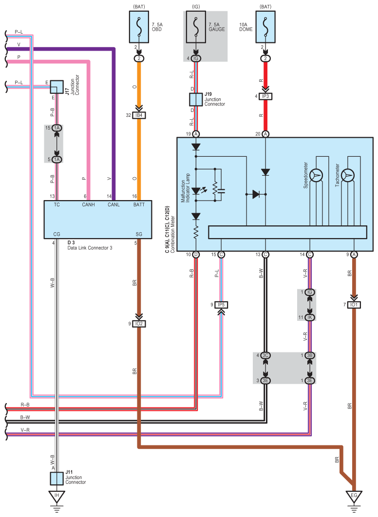
Fig 2: Engine Control Wiring Diagram (2 Of 11)
G08910014Courtesy of © TOYOTA, LICENSE AGREEMENT TMS1002
Fig 3: Engine Control Wiring Diagram (3 Of 11)
G08910015Courtesy of © TOYOTA, LICENSE AGREEMENT TMS1002
Fig 4: Engine Control Wiring Diagram (4 Of 11)
G08910016Courtesy of © TOYOTA, LICENSE AGREEMENT TMS1002
Fig 5: Engine Control Wiring Diagram (5 Of 11)
G08910017Courtesy of © TOYOTA, LICENSE AGREEMENT TMS1002
Fig 6: Engine Control Wiring Diagram (6 Of 11)
G08910018Courtesy of © TOYOTA, LICENSE AGREEMENT TMS1002
Fig 7: Engine Control Wiring Diagram (7 Of 11)
G08910019Courtesy of © TOYOTA, LICENSE AGREEMENT TMS1002
Fig 8: Engine Control Wiring Diagram (8 Of 11)
G08910020Courtesy of © TOYOTA, LICENSE AGREEMENT TMS1002
Fig 9: Engine Control Wiring Diagram (9 Of 11)
G08910021Courtesy of © TOYOTA, LICENSE AGREEMENT TMS1002
Fig 10: Engine Control Wiring Diagram (10 Of 11)
G08910022Courtesy of © TOYOTA, LICENSE AGREEMENT TMS1002
Fig 11: Engine Control Wiring Diagram (11 Of 11)
G08910023Courtesy of © TOYOTA, LICENSE AGREEMENT TMS1002