lemon-mirror:
Home >> Lexus >> 2006 >> GX 470 >> Repair and Diagnosis >> Electrical >> Body Electrical >> OEM System Circuits >> Engine Immobiliser System >> Notes

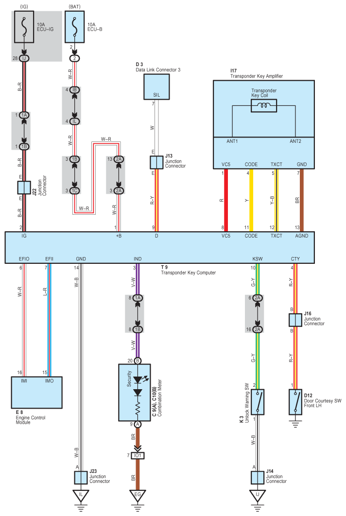
Engine Immobiliser System: Notes

Fig 1: Engine Immobiliser System Wiring Diagram
G08910024Courtesy of © TOYOTA, LICENSE AGREEMENT TMS1002