lemon-mirror:
Home >> Lexus >> 2006 >> GX 470 >> Repair and Diagnosis >> Electrical >> Body Electrical >> OEM System Circuits >> Headlight >> Notes

OEM System Circuits: Headlight: Notes

Fig 1: Headlight Wiring Diagram (1 Of 4)
G08910049Courtesy of © TOYOTA, LICENSE AGREEMENT TMS1002
Fig 2: Headlight Wiring Diagram (2 Of 4)
G08910050Courtesy of © TOYOTA, LICENSE AGREEMENT TMS1002
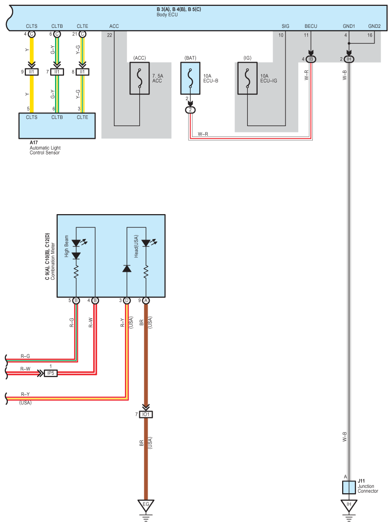
Fig 3: Headlight Wiring Diagram (3 Of 4)
G08910051Courtesy of © TOYOTA, LICENSE AGREEMENT TMS1002
Fig 4: Headlight Wiring Diagram (4 Of 4)
G08910052Courtesy of © TOYOTA, LICENSE AGREEMENT TMS1002

* This system is designed to automatically activate the turn signal lights during the daytime to keep the car highly visible to other vehicles. This system is controlled by the body ECU.

This system makes use of the turn signal lights as daytime running lights.

For this reason, when the turn signal lights are operated, the daytime running lights function is interrupted momentarily, which, however, will be brought back into operation as soon as the interposed operation is over.

* This system is enabled when the conditions given below are met.

  1. Ignition switch ON condition
  2. Turn signal light switch OFF condition
  3. Hazard light switch OFF condition
  4. Light control switch OFF condition
  5. Parking brake switch OFF condition (Parking brake out of operating condition)**

    **: This system does not become active when the parking brake switch is ON. However, once the OFF signal of the parking brake switch is input into the body ECU, this system will become active thereafter, regardless of whether the parking brake switch is ON or OFF.