lemon-mirror:
Home >> Lexus >> 2006 >> GX 470 >> Repair and Diagnosis >> Electrical >> Body Electrical >> OEM System Circuits >> LEXUS Link System (Mayday System) >> Notes

LEXUS Link System (Mayday System): Notes

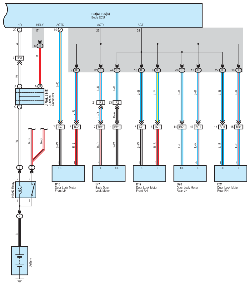
Fig 1: LEXUS Link System (Mayday System) Wiring Diagram (1 Of 4)
G08910165Courtesy of © TOYOTA, LICENSE AGREEMENT TMS1002
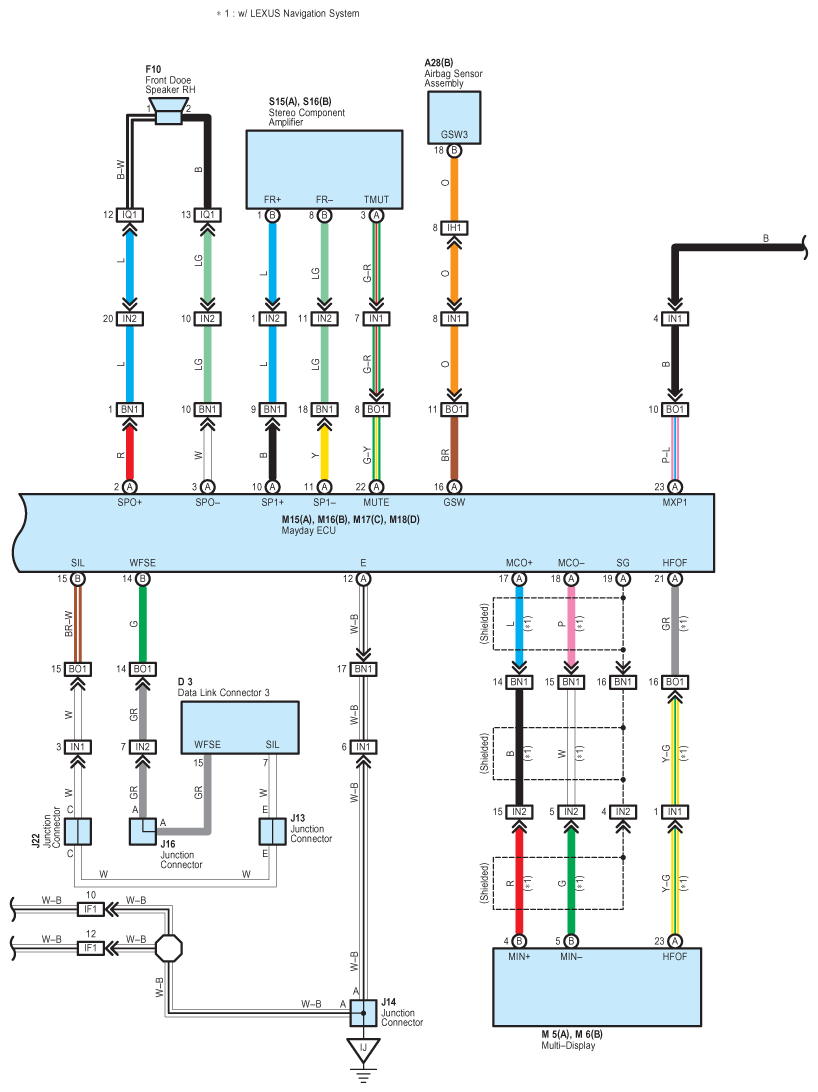
Fig 2: LEXUS Link System (Mayday System) Wiring Diagram (2 Of 4)
G08910166Courtesy of © TOYOTA, LICENSE AGREEMENT TMS1002
Fig 3: LEXUS Link System (Mayday System) Wiring Diagram (3 Of 4)
G08910167Courtesy of © TOYOTA, LICENSE AGREEMENT TMS1002
Fig 4: LEXUS Link System (Mayday System) Wiring Diagram (4 Of 4)
G08910168Courtesy of © TOYOTA, LICENSE AGREEMENT TMS1002