lemon-mirror:
Home >> Lexus >> 2006 >> GX 470 >> Repair and Diagnosis >> Electrical >> Body Electrical >> OEM System Circuits >> Rear Air Conditioning >> Notes

Rear Air Conditioning: Notes

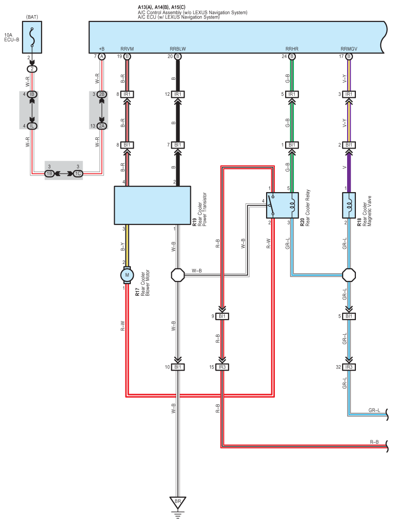
Fig 1: Rear Air Conditioning Wiring Diagram (1 Of 2)
G08910220Courtesy of © TOYOTA, LICENSE AGREEMENT TMS1002
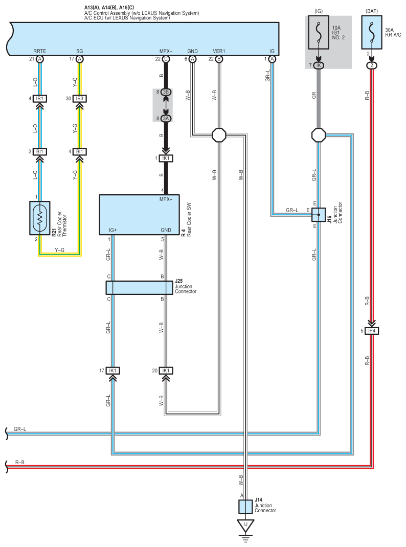
Fig 2: Rear Air Conditioning Wiring Diagram (2 Of 2)
G08910221Courtesy of © TOYOTA, LICENSE AGREEMENT TMS1002