lemon-mirror:
Home >> Lexus >> 2006 >> GX 470 >> Repair and Diagnosis >> Electrical >> Body Electrical >> OEM System Circuits >> Remote Control Mirror >> Notes

Remote Control Mirror: Notes

Fig 1: Remote Control Mirror Wiring Diagram (1 Of 3)
G08910141Courtesy of © TOYOTA, LICENSE AGREEMENT TMS1002
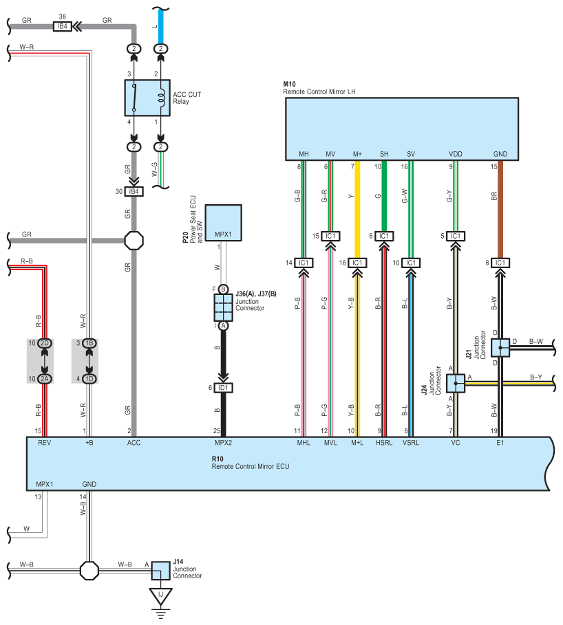
Fig 2: Remote Control Mirror Wiring Diagram (2 Of 3)
G08910142Courtesy of © TOYOTA, LICENSE AGREEMENT TMS1002
Fig 3: Remote Control Mirror Wiring Diagram (3 Of 3)
G08910143Courtesy of © TOYOTA, LICENSE AGREEMENT TMS1002