lemon-mirror:
Home >> Lexus >> 2006 >> GX 470 >> Repair and Diagnosis >> Electrical >> Body Electrical >> OEM System Circuits >> Trailer Towing >> Notes

Trailer Towing: Notes

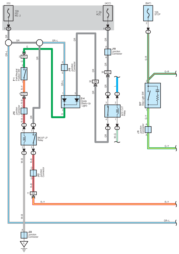
Fig 1: Trailer Towing Wiring Diagram (1 Of 3)
G08910158Courtesy of © TOYOTA, LICENSE AGREEMENT TMS1002
Fig 2: Trailer Towing Wiring Diagram (2 Of 3)
G08910159Courtesy of © TOYOTA, LICENSE AGREEMENT TMS1002
Fig 3: Trailer Towing Wiring Diagram (3 Of 3)
G08910160Courtesy of © TOYOTA, LICENSE AGREEMENT TMS1002