lemon-mirror:
Home >> Lexus >> 2006 >> IS 350 >> Repair and Diagnosis >> Electrical >> Body Electrical >> OEM System Circuits >> Dynamic Radar Cruise Control for 2GR-FSE >> Notes

Dynamic Radar Cruise Control for 2GR-FSE: Notes

Fig 1: Dynamic Radar Cruise Control For 2GR-FSE - Wiring Diagram (1 Of 15)
G08927253Courtesy of © TOYOTA, LICENSE AGREEMENT TMS1002
Fig 2: Dynamic Radar Cruise Control For 2GR-FSE - Wiring Diagram (2 Of 15)
G08927254Courtesy of © TOYOTA, LICENSE AGREEMENT TMS1002
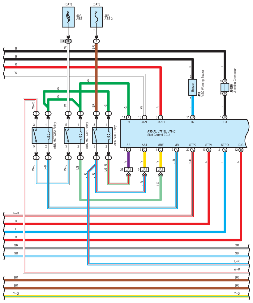
Fig 3: Dynamic Radar Cruise Control For 2GR-FSE - Wiring Diagram (3 Of 15)
G08927255Courtesy of © TOYOTA, LICENSE AGREEMENT TMS1002
Fig 4: Dynamic Radar Cruise Control For 2GR-FSE - Wiring Diagram (4 Of 15)
G08927256Courtesy of © TOYOTA, LICENSE AGREEMENT TMS1002
Fig 5: Dynamic Radar Cruise Control For 2GR-FSE - Wiring Diagram (5 Of 15)
G08927257Courtesy of © TOYOTA, LICENSE AGREEMENT TMS1002
Fig 6: Dynamic Radar Cruise Control For 2GR-FSE - Wiring Diagram (6 Of 15)
G08927258Courtesy of © TOYOTA, LICENSE AGREEMENT TMS1002
Fig 7: Dynamic Radar Cruise Control For 2GR-FSE - Wiring Diagram (7 Of 15)
G08927259Courtesy of © TOYOTA, LICENSE AGREEMENT TMS1002
Fig 8: Dynamic Radar Cruise Control For 2GR-FSE - Wiring Diagram (8 Of 15)
G08927260Courtesy of © TOYOTA, LICENSE AGREEMENT TMS1002
Fig 9: Dynamic Radar Cruise Control For 2GR-FSE - Wiring Diagram (9 Of 15)
G08927261Courtesy of © TOYOTA, LICENSE AGREEMENT TMS1002
Fig 10: Dynamic Radar Cruise Control For 2GR-FSE - Wiring Diagram (10 Of 15)
G08927262Courtesy of © TOYOTA, LICENSE AGREEMENT TMS1002
Fig 11: Dynamic Radar Cruise Control For 2GR-FSE - Wiring Diagram (11 Of 15)
G08927263Courtesy of © TOYOTA, LICENSE AGREEMENT TMS1002
Fig 12: Dynamic Radar Cruise Control For 2GR-FSE - Wiring Diagram (12 Of 15)
G08927264Courtesy of © TOYOTA, LICENSE AGREEMENT TMS1002
Fig 13: Dynamic Radar Cruise Control For 2GR-FSE - Wiring Diagram (13 Of 15)
G08927265Courtesy of © TOYOTA, LICENSE AGREEMENT TMS1002
Fig 14: Dynamic Radar Cruise Control For 2GR-FSE - Wiring Diagram (14 Of 15)
G08927266Courtesy of © TOYOTA, LICENSE AGREEMENT TMS1002
Fig 15: Dynamic Radar Cruise Control For 2GR-FSE - Wiring Diagram (15 Of 15)
G08927267Courtesy of © TOYOTA, LICENSE AGREEMENT TMS1002