lemon-mirror:
Home >> Lexus >> 2006 >> IS 350 >> Repair and Diagnosis >> Electrical >> Body Electrical >> OEM System Circuits >> Engine Control for 4GR-FSE >> Notes

Engine Control for 4GR-FSE: Notes

Fig 1: Engine Control For 4GR-FSE - Wiring Diagram (1 Of 17)
G08927109Courtesy of © TOYOTA, LICENSE AGREEMENT TMS1002
Fig 2: Engine Control For 4Gr4GR-FSE - Wiring Diagram (2 Of 17)
G08927110Courtesy of © TOYOTA, LICENSE AGREEMENT TMS1002
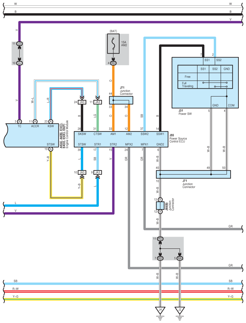
Fig 3: Engine Control For 4GR-FSE - Wiring Diagram (3 Of 17)
G08927111Courtesy of © TOYOTA, LICENSE AGREEMENT TMS1002
Fig 4: Engine Control For 4GR-FSE - Wiring Diagram (4 Of 17)
G08927112Courtesy of © TOYOTA, LICENSE AGREEMENT TMS1002
Fig 5: Engine Control For 4GR-FSE - Wiring Diagram (5 Of 17)
G08927113Courtesy of © TOYOTA, LICENSE AGREEMENT TMS1002
Fig 6: Engine Control For 4GR-FSE - Wiring Diagram (6 Of 17)
G08927114Courtesy of © TOYOTA, LICENSE AGREEMENT TMS1002
Fig 7: Engine Control For 4GR-FSE - Wiring Diagram (7 Of 17)
G08927115Courtesy of © TOYOTA, LICENSE AGREEMENT TMS1002
Fig 8: Engine Control For 4GR-FSE - Wiring Diagram (8 Of 17)
G08927116Courtesy of © TOYOTA, LICENSE AGREEMENT TMS1002
Fig 9: Engine Control For 4GR-FSE - Wiring Diagram (9 Of 17)
G08927117Courtesy of © TOYOTA, LICENSE AGREEMENT TMS1002
Fig 10: Engine Control For 4GR-FSE - Wiring Diagram (10 Of 17)
G08927118Courtesy of © TOYOTA, LICENSE AGREEMENT TMS1002
Fig 11: Engine Control For 4GR-FSE - Wiring Diagram (11 Of 17)
G08927119Courtesy of © TOYOTA, LICENSE AGREEMENT TMS1002
Fig 12: Engine Control For 4GR-FSE - Wiring Diagram (12 Of 17)
G08927120Courtesy of © TOYOTA, LICENSE AGREEMENT TMS1002
Fig 13: Engine Control For 4GR-FSE - Wiring Diagram (13 Of 17)
G08927121Courtesy of © TOYOTA, LICENSE AGREEMENT TMS1002
Fig 14: Engine Control For 4Gr-FSE - Wiring Diagram (14 Of 17)
G08927122Courtesy of © TOYOTA, LICENSE AGREEMENT TMS1002
Fig 15: Engine Control For 4GR-FSE - Wiring Diagram (15 Of 17)
G08927123Courtesy of © TOYOTA, LICENSE AGREEMENT TMS1002
Fig 16: Engine Control For 4GR-FSE - Wiring Diagram (16 Of 17)
G08927124Courtesy of © TOYOTA, LICENSE AGREEMENT TMS1002
Fig 17: Engine Control For 4GR-FSE - Wiring Diagram (17 Of 17)
G08927125Courtesy of © TOYOTA, LICENSE AGREEMENT TMS1002