lemon-mirror:
Home >> Lexus >> 2006 >> IS 350 >> Repair and Diagnosis >> Electrical >> Body Electrical >> OEM System Circuits >> Power Window >> Notes

Power Window: Notes

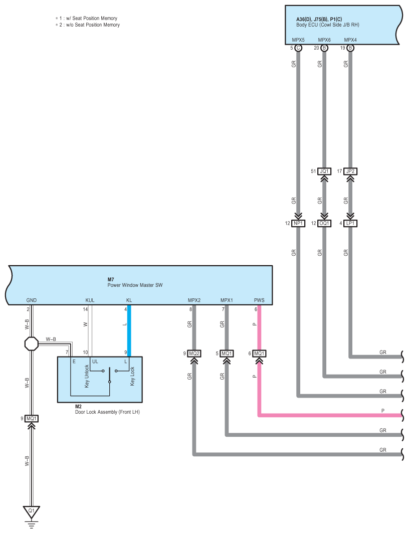
Fig 1: Power Window - Wiring Diagram (1 Of 6)
G08927204Courtesy of © TOYOTA, LICENSE AGREEMENT TMS1002
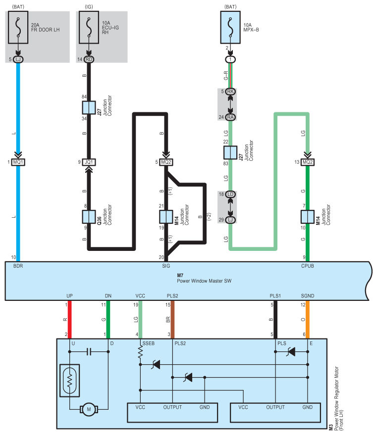
Fig 2: Power Window - Wiring Diagram (2 Of 6)
G08927205Courtesy of © TOYOTA, LICENSE AGREEMENT TMS1002
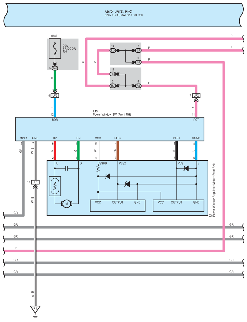
Fig 3: Power Window - Wiring Diagram (3 Of 6)
G08927206Courtesy of © TOYOTA, LICENSE AGREEMENT TMS1002
Fig 4: Power Window - Wiring Diagram (4 Of 6)
G08927207Courtesy of © TOYOTA, LICENSE AGREEMENT TMS1002
Fig 5: Power Window - Wiring Diagram (5 Of 6)
G08927208Courtesy of © TOYOTA, LICENSE AGREEMENT TMS1002
Fig 6: Power Window - Wiring Diagram (6 Of 6)
G08927209Courtesy of © TOYOTA, LICENSE AGREEMENT TMS1002