lemon-mirror:
Home >> Lexus >> 2006 >> IS 350 >> Repair and Diagnosis >> Electrical >> Body Electrical >> OEM System Circuits >> Pre-Collision System >> Notes

Pre-Collision System: Notes

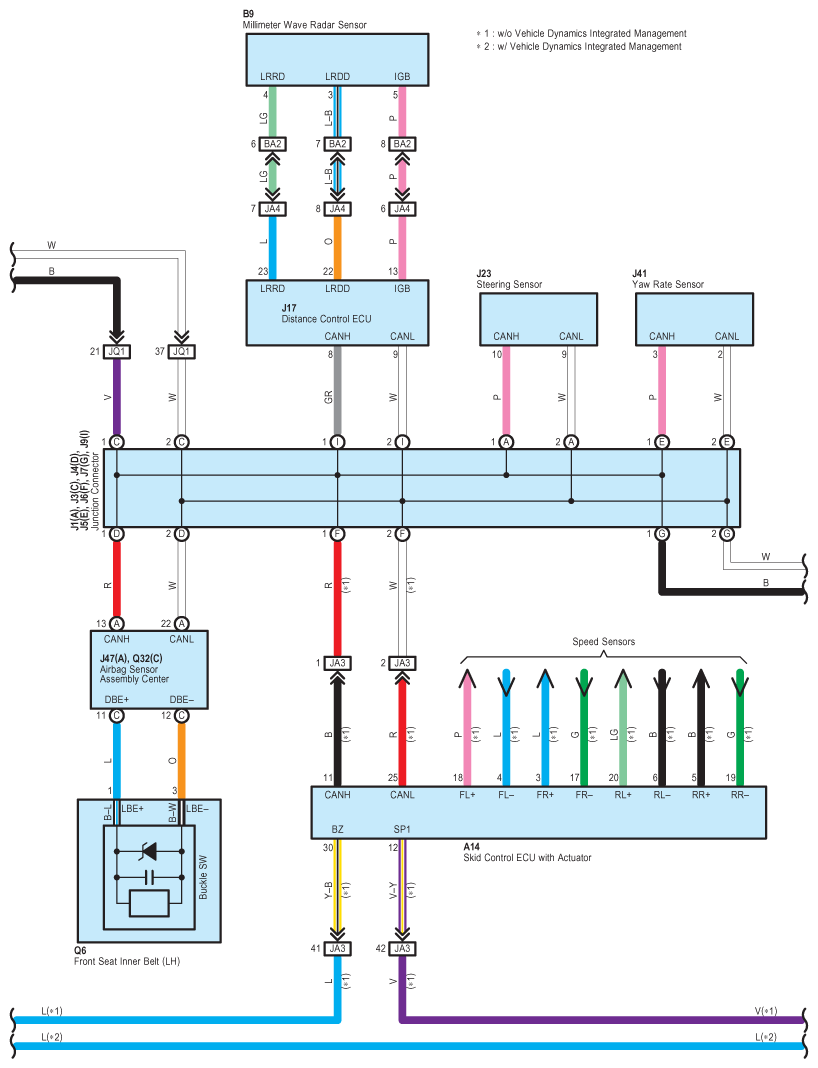
Fig 1: Pre-Collision System - Wiring Diagram (1 Of 4)
G08927326Courtesy of © TOYOTA, LICENSE AGREEMENT TMS1002
Fig 2: Pre-Collision System - Wiring Diagram (2 Of 4)
G08927327Courtesy of © TOYOTA, LICENSE AGREEMENT TMS1002
Fig 3: Pre-Collision System - Wiring Diagram (3 Of 4)
G08927328Courtesy of © TOYOTA, LICENSE AGREEMENT TMS1002
Fig 4: Pre-Collision System - Wiring Diagram (4 Of 4)
G08927329Courtesy of © TOYOTA, LICENSE AGREEMENT TMS1002