lemon-mirror:
Home >> Lexus >> 2006 >> IS 350 >> Repair and Diagnosis >> Electrical >> Body Electrical >> OEM System Circuits >> Shift Lock >> Notes

Shift Lock: Notes

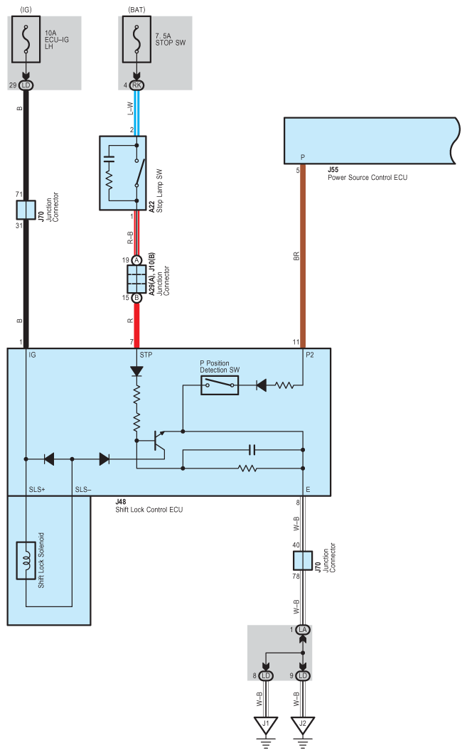
Fig 1: Shift Lock - Wiring Diagram (1 Of 2)
G08927342Courtesy of © TOYOTA, LICENSE AGREEMENT TMS1002
Fig 2: Shift Lock - Wiring Diagram (2 Of 2)
G08927343Courtesy of © TOYOTA, LICENSE AGREEMENT TMS1002