lemon-mirror:
Home >> Lexus >> 2006 >> IS 350 >> Repair and Diagnosis >> Electrical >> Body Electrical >> OEM System Circuits >> Smart Access System with Push-Button Start >> Notes

Smart Access System with Push-Button Start: Notes

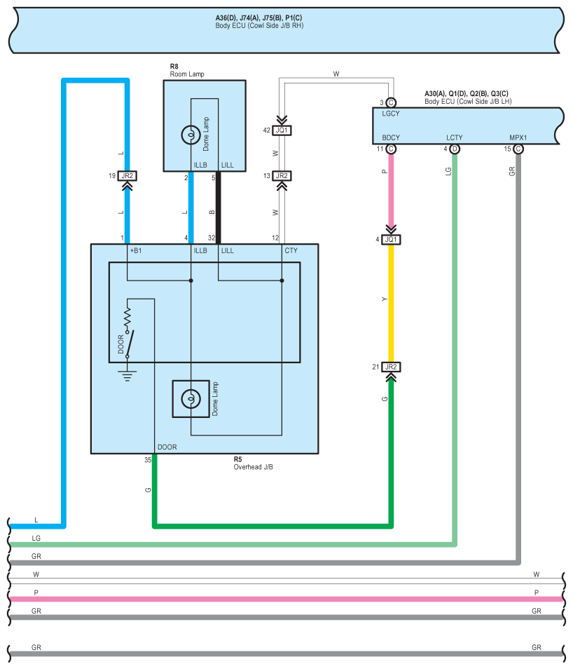
Fig 1: Smart Access System With Push-Button Start - Wiring Diagram (1 Of 20)
G08927067Courtesy of © TOYOTA, LICENSE AGREEMENT TMS1002
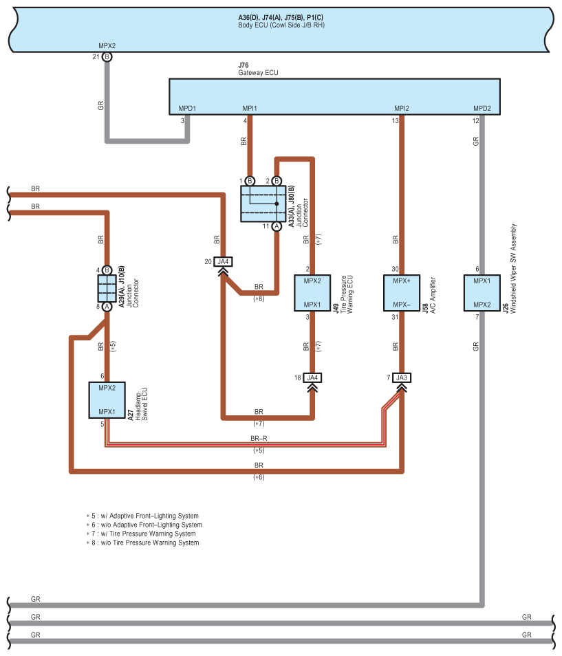
Fig 2: Smart Access System With Push-Button Start - Wiring Diagram (2 Of 20)
G08927068Courtesy of © TOYOTA, LICENSE AGREEMENT TMS1002
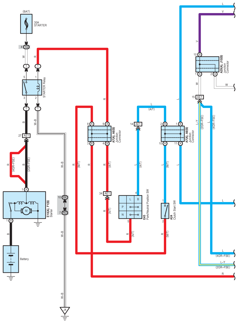
Fig 3: Smart Access System With Push-Button Start - Wiring Diagram (3 Of 20)
G08927069Courtesy of © TOYOTA, LICENSE AGREEMENT TMS1002
Fig 4: Smart Access System With Push-Button Start - Wiring Diagram (4 Of 20)
G08927070Courtesy of © TOYOTA, LICENSE AGREEMENT TMS1002
Fig 5: Smart Access System With Push-Button Start - Wiring Diagram (5 Of 20)
G08927071Courtesy of © TOYOTA, LICENSE AGREEMENT TMS1002
Fig 6: Smart Access System With Push-Button Start - Wiring Diagram (6 Of 20)
G08927072Courtesy of © TOYOTA, LICENSE AGREEMENT TMS1002
Fig 7: Smart Access System With Push-Button Start - Wiring Diagram (7 Of 20)
G08927073Courtesy of © TOYOTA, LICENSE AGREEMENT TMS1002
Fig 8: Smart Access System With Push-Button Start - Wiring Diagram (8 Of 20)
G08927074Courtesy of © TOYOTA, LICENSE AGREEMENT TMS1002
Fig 9: Smart Access System With Push-Button Start - Wiring Diagram (9 Of 20)
G08927075Courtesy of © TOYOTA, LICENSE AGREEMENT TMS1002
Fig 10: Smart Access System With Push-Button Start - Wiring Diagram (10 Of 20)
G08927076Courtesy of © TOYOTA, LICENSE AGREEMENT TMS1002
Fig 11: Smart Access System With Push-Button Start - Wiring Diagram (11 Of 20)
G08927077Courtesy of © TOYOTA, LICENSE AGREEMENT TMS1002
Fig 12: Smart Access System With Push-Button Start - Wiring Diagram (12 Of 20)
G08927078Courtesy of © TOYOTA, LICENSE AGREEMENT TMS1002
Fig 13: Smart Access System With Push-Button Start - Wiring Diagram (13 Of 20)
G08927079Courtesy of © TOYOTA, LICENSE AGREEMENT TMS1002
Fig 14: Smart Access System With Push-Button Start - Wiring Diagram (14 Of 20)
G08927080Courtesy of © TOYOTA, LICENSE AGREEMENT TMS1002
Fig 15: Smart Access System With Push-Button Start - Wiring Diagram (15 Of 20)
G08927081Courtesy of © TOYOTA, LICENSE AGREEMENT TMS1002
Fig 16: Smart Access System With Push-Button Start - Wiring Diagram (16 Of 20)
G08927082Courtesy of © TOYOTA, LICENSE AGREEMENT TMS1002
Fig 17: Smart Access System With Push-Button Start - Wiring Diagram (17 Of 20)
G08927083Courtesy of © TOYOTA, LICENSE AGREEMENT TMS1002
Fig 18: Smart Access System With Push-Button Start - Wiring Diagram (18 Of 20)
G08927084Courtesy of © TOYOTA, LICENSE AGREEMENT TMS1002
Fig 19: Smart Access System With Push-Button Start - Wiring Diagram (19 Of 20)
G08927085Courtesy of © TOYOTA, LICENSE AGREEMENT TMS1002
Fig 20: Smart Access System With Push-Button Start - Wiring Diagram (20 Of 20)
G08927086Courtesy of © TOYOTA, LICENSE AGREEMENT TMS1002