lemon-mirror:
Home >> Lexus >> 2006 >> LS 430 >> Repair and Diagnosis >> Body & Frame >> Windows >> Windshield/Window Glass/Mirror >> Window Defogger System >> System Diagram >> Notes

System Diagram: Notes

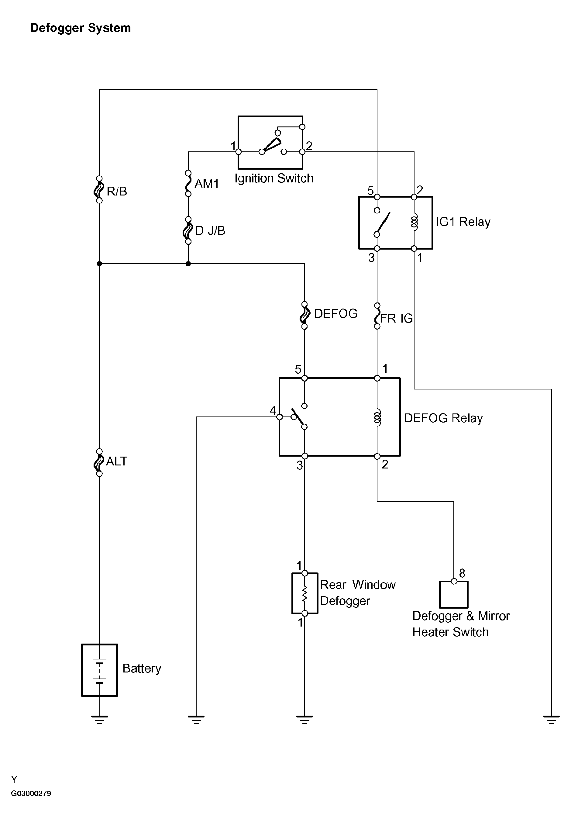
Fig 1: Defogger System Diagram
G03000279Courtesy of © TOYOTA, LICENSE AGREEMENT TMS1002
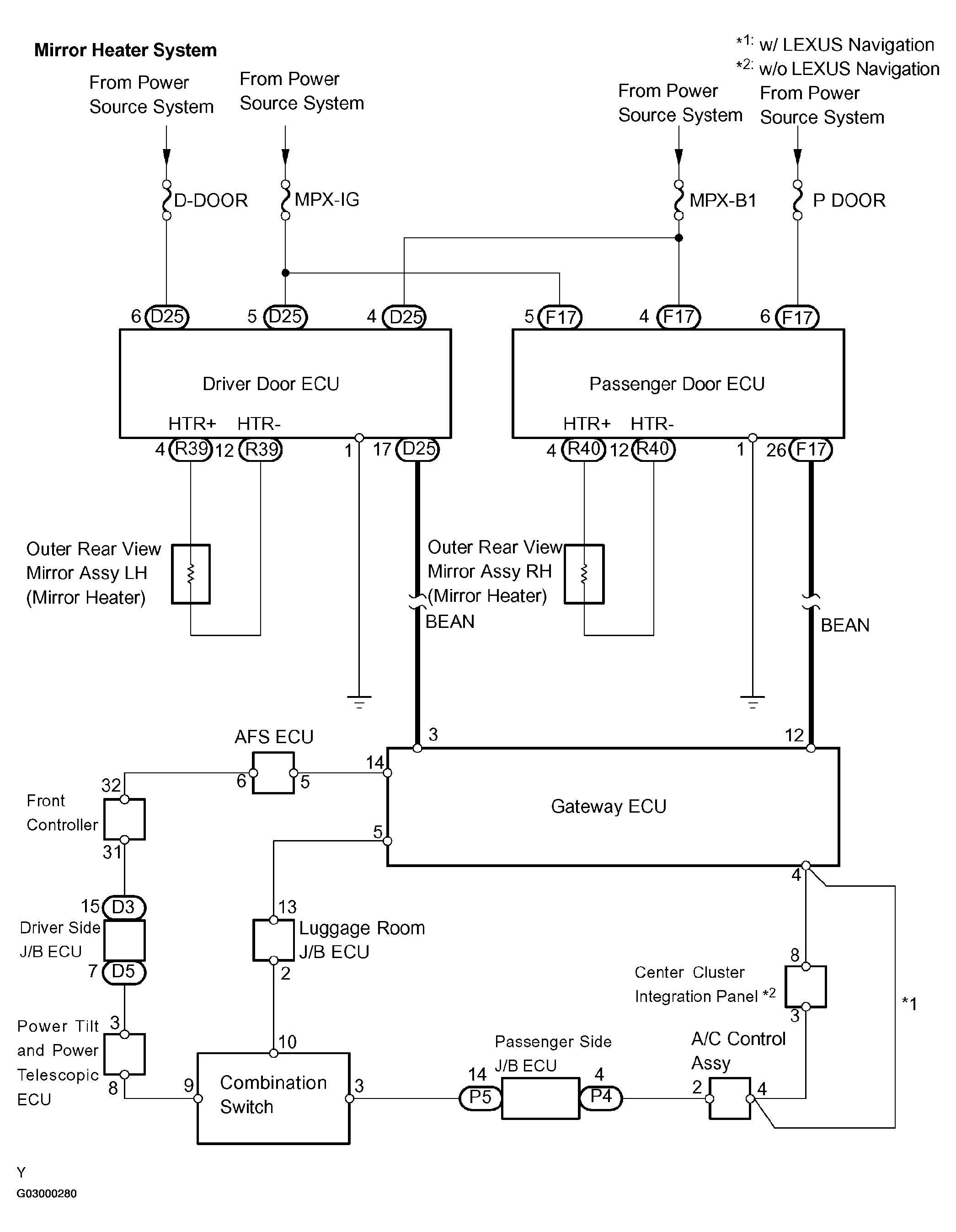
Fig 2: Mirror Heater System Diagram
G03000280Courtesy of © TOYOTA, LICENSE AGREEMENT TMS1002