lemon-mirror:
Home >> Lexus >> 2006 >> LS 430 >> Repair and Diagnosis >> Electrical >> Body Electrical >> OEM System Circuits >> Audio System >> Notes

Audio System: Notes

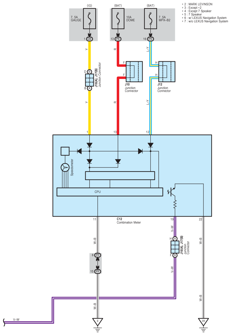
Fig 1: Audio System Wiring Diagram (1 Of 6)
G08913928Courtesy of © TOYOTA, LICENSE AGREEMENT TMS1002
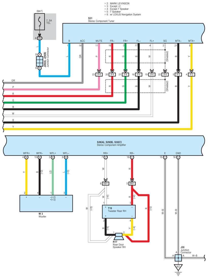
Fig 2: Audio System Wiring Diagram (2 Of 6)
G08913929Courtesy of © TOYOTA, LICENSE AGREEMENT TMS1002
Fig 3: Audio System Wiring Diagram (3 Of 6)
G08913930Courtesy of © TOYOTA, LICENSE AGREEMENT TMS1002
Fig 4: Audio System Wiring Diagram (4 Of 6)
G08913931Courtesy of © TOYOTA, LICENSE AGREEMENT TMS1002
Fig 5: Audio System Wiring Diagram (5 Of 6)
G08913932Courtesy of © TOYOTA, LICENSE AGREEMENT TMS1002
Fig 6: Audio System Wiring Diagram (6 Of 6)
G08913933Courtesy of © TOYOTA, LICENSE AGREEMENT TMS1002