lemon-mirror:
Home >> Lexus >> 2006 >> LS 430 >> Repair and Diagnosis >> Electrical >> Body Electrical >> OEM System Circuits >> Automatic Glare-Resistant EC Mirror >> Notes

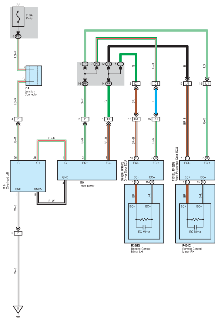
Automatic Glare-Resistant EC Mirror: Notes

Fig 1: Automatic Glare-Resistant EC Mirror System Wiring Diagram
G08913917Courtesy of © TOYOTA, LICENSE AGREEMENT TMS1002