lemon-mirror:
Home >> Lexus >> 2006 >> LS 430 >> Repair and Diagnosis >> Electrical >> Body Electrical >> OEM System Circuits >> Climate Control Seat (Rear) >> Notes

Climate Control Seat (Rear): Notes

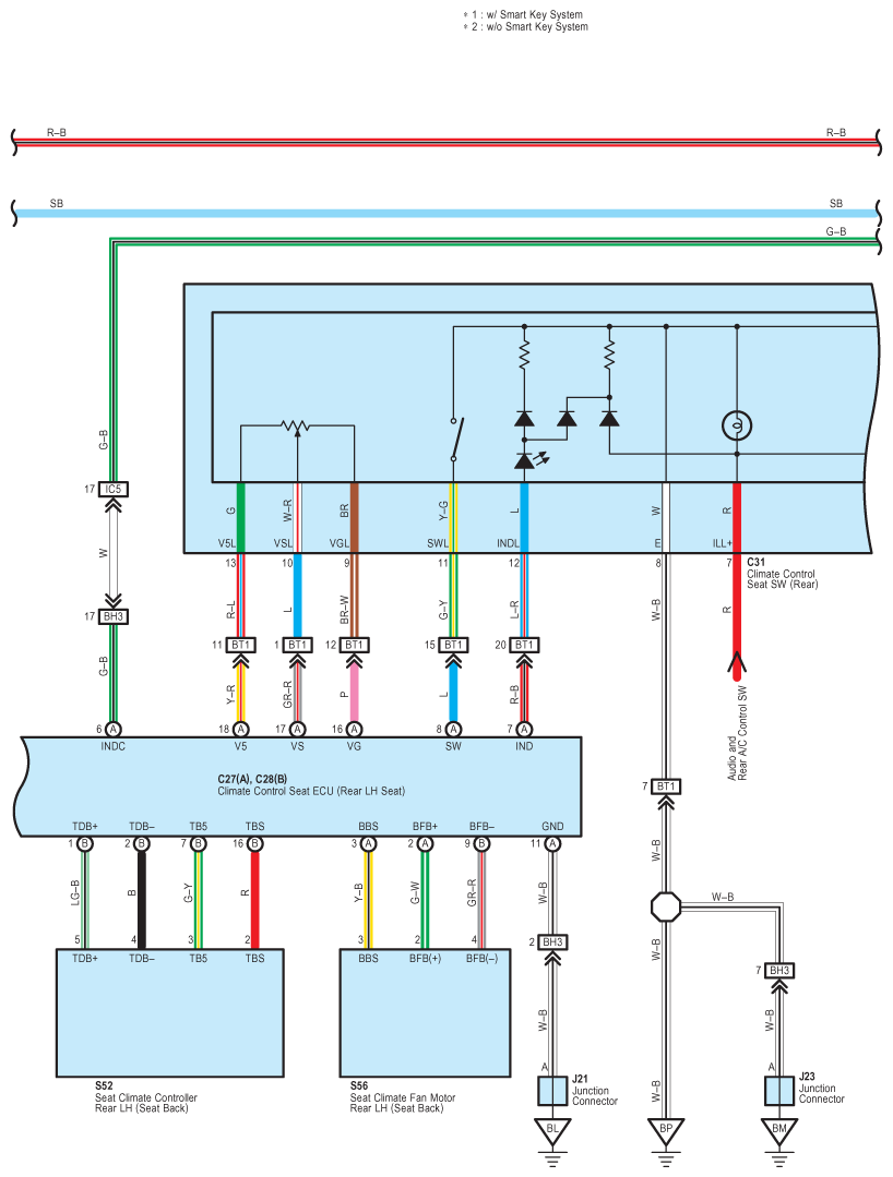
Fig 1: Climate Control Seat (Rear) System Wiring Diagram (1 Of 5)
G08913903Courtesy of © TOYOTA, LICENSE AGREEMENT TMS1002
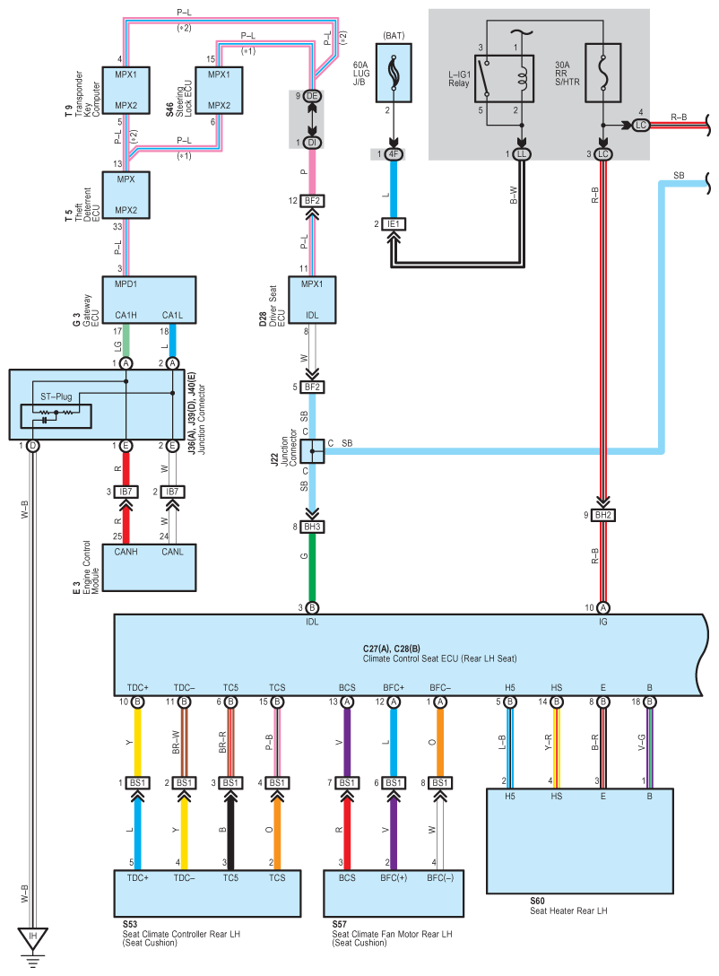
Fig 2: Climate Control Seat (Rear) System Wiring Diagram (2 Of 5)
G08913904Courtesy of © TOYOTA, LICENSE AGREEMENT TMS1002
Fig 3: Climate Control Seat (Rear) System Wiring Diagram (3 Of 5)
G08913905Courtesy of © TOYOTA, LICENSE AGREEMENT TMS1002
Fig 4: Climate Control Seat (Rear) System Wiring Diagram (4 Of 5)
G08913906Courtesy of © TOYOTA, LICENSE AGREEMENT TMS1002
Fig 5: Climate Control Seat (Rear) System Wiring Diagram (5 Of 5)
G08913907Courtesy of © TOYOTA, LICENSE AGREEMENT TMS1002