lemon-mirror:
Home >> Lexus >> 2006 >> LS 430 >> Repair and Diagnosis >> Electrical >> Body Electrical >> OEM System Circuits >> Dynamic Radar/Laser Cruise Control System >> Notes

Dynamic Radar/Laser Cruise Control System: Notes

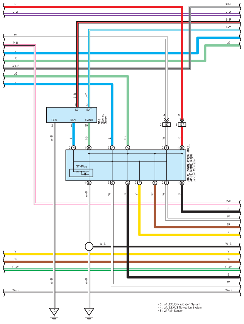
Fig 1: Dynamic Radar/Laser Cruise Control System Wiring Diagram (1 Of 11)
G08913839Courtesy of © TOYOTA, LICENSE AGREEMENT TMS1002
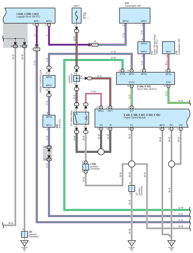
Fig 2: Dynamic Radar/Laser Cruise Control System Wiring Diagram (2 Of 11)
G08913840Courtesy of © TOYOTA, LICENSE AGREEMENT TMS1002
Fig 3: Dynamic Radar/Laser Cruise Control System Wiring Diagram (3 Of 11)
G08913841Courtesy of © TOYOTA, LICENSE AGREEMENT TMS1002
Fig 4: Dynamic Radar/Laser Cruise Control System Wiring Diagram (4 Of 11)
G08913842Courtesy of © TOYOTA, LICENSE AGREEMENT TMS1002
Fig 5: Dynamic Radar/Laser Cruise Control System Wiring Diagram (5 Of 11)
G08913843Courtesy of © TOYOTA, LICENSE AGREEMENT TMS1002
Fig 6: Dynamic Radar/Laser Cruise Control System Wiring Diagram (6 Of 11)
G08913844Courtesy of © TOYOTA, LICENSE AGREEMENT TMS1002
Fig 7: Dynamic Radar/Laser Cruise Control System Wiring Diagram (7 Of 11)
G08913845Courtesy of © TOYOTA, LICENSE AGREEMENT TMS1002
Fig 8: Dynamic Radar/Laser Cruise Control System Wiring Diagram (8 Of 11)
G08913846Courtesy of © TOYOTA, LICENSE AGREEMENT TMS1002
Fig 9: Dynamic Radar/Laser Cruise Control System Wiring Diagram (9 Of 11)
G08913847Courtesy of © TOYOTA, LICENSE AGREEMENT TMS1002
Fig 10: Dynamic Radar/Laser Cruise Control System Wiring Diagram (10 Of 11)
G08913848Courtesy of © TOYOTA, LICENSE AGREEMENT TMS1002
Fig 11: Dynamic Radar/Laser Cruise Control System Wiring Diagram (11 Of 11)
G08913849Courtesy of © TOYOTA, LICENSE AGREEMENT TMS1002