lemon-mirror:
Home >> Lexus >> 2006 >> LS 430 >> Repair and Diagnosis >> Electrical >> Body Electrical >> OEM System Circuits >> Electronic Modulated Air Suspension >> Notes

Electronic Modulated Air Suspension: Notes

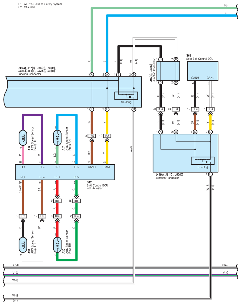
Fig 1: Electronic Modulated Air Suspension System Wiring Diagram (1 Of 7)
G08913873Courtesy of © TOYOTA, LICENSE AGREEMENT TMS1002
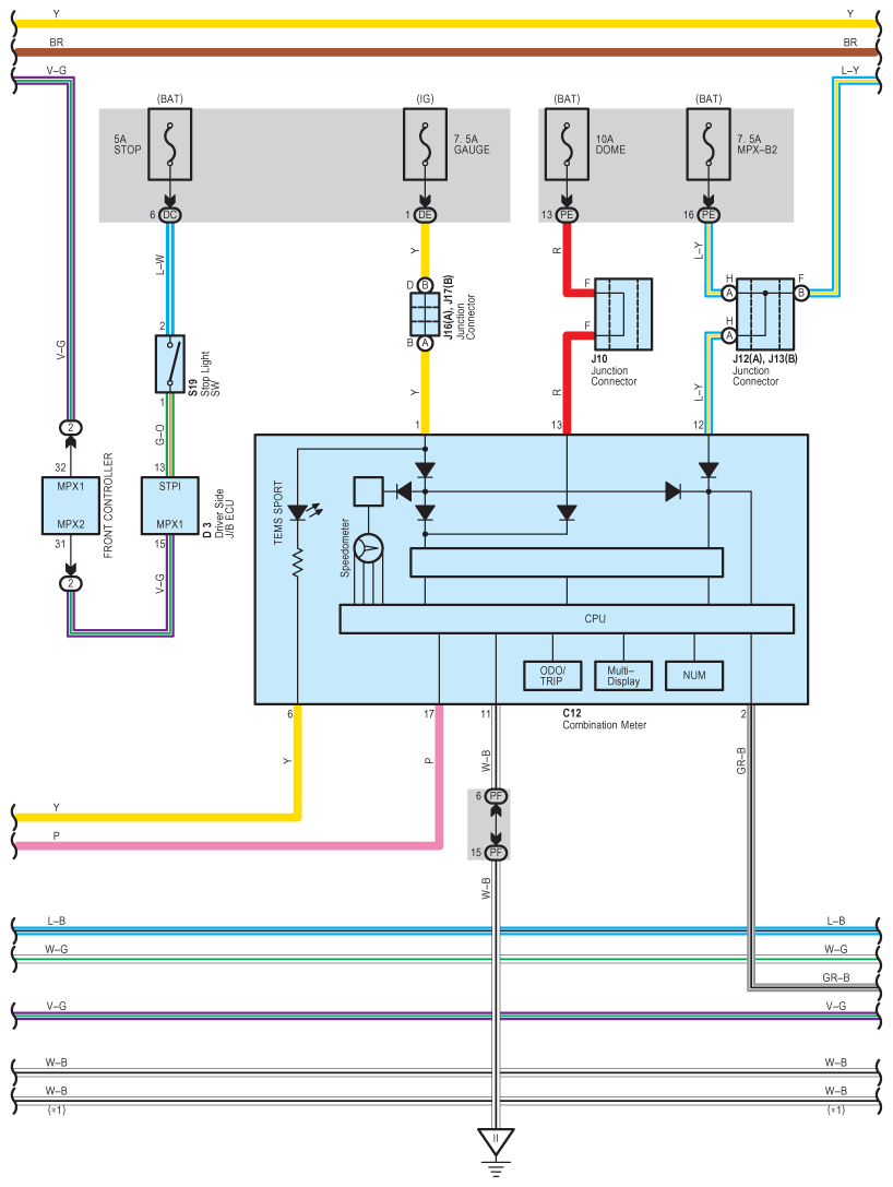
Fig 2: Electronic Modulated Air Suspension System Wiring Diagram (2 Of 7)
G08913874Courtesy of © TOYOTA, LICENSE AGREEMENT TMS1002
Fig 3: Electronic Modulated Air Suspension System Wiring Diagram (3 Of 7)
G08913875Courtesy of © TOYOTA, LICENSE AGREEMENT TMS1002
Fig 4: Electronic Modulated Air Suspension System Wiring Diagram (4 Of 7)
G08913876Courtesy of © TOYOTA, LICENSE AGREEMENT TMS1002
Fig 5: Electronic Modulated Air Suspension System Wiring Diagram (5 Of 7)
G08913877Courtesy of © TOYOTA, LICENSE AGREEMENT TMS1002
Fig 6: Electronic Modulated Air Suspension System Wiring Diagram (6 Of 7)
G08913878Courtesy of © TOYOTA, LICENSE AGREEMENT TMS1002
Fig 7: Electronic Modulated Air Suspension System Wiring Diagram (7 Of 7)
G08913879Courtesy of © TOYOTA, LICENSE AGREEMENT TMS1002