lemon-mirror:
Home >> Lexus >> 2006 >> LS 430 >> Repair and Diagnosis >> Electrical >> Body Electrical >> OEM System Circuits >> Engine Immobiliser System with Smart Key and Steering Lock System >> Notes

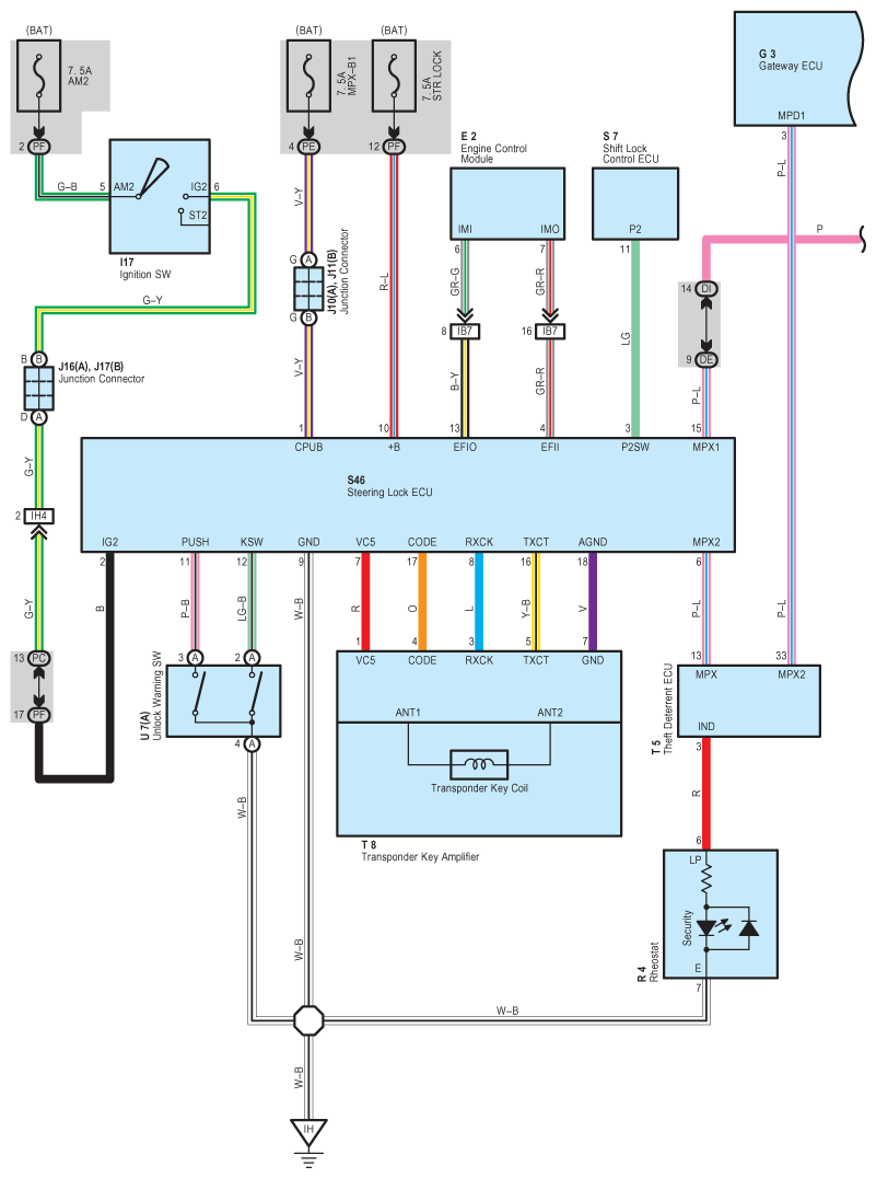
Engine Immobiliser System with Smart Key and Steering Lock System: Notes

Fig 1: Engine Immobiliser System With Smart Key And Steering Lock System Wiring Diagram (1 Of 2)
G08913691Courtesy of © TOYOTA, LICENSE AGREEMENT TMS1002
Fig 2: Engine Immobiliser System With Smart Key And Steering Lock System Wiring Diagram (2 Of 2)
G08913692Courtesy of © TOYOTA, LICENSE AGREEMENT TMS1002