lemon-mirror:
Home >> Lexus >> 2006 >> LS 430 >> Repair and Diagnosis >> Electrical >> Body Electrical >> OEM System Circuits >> Illumination >> Notes

OEM System Circuits: Illumination: Notes

Fig 1: Illumination System Wiring Diagram (1 Of 6)
G08913756Courtesy of © TOYOTA, LICENSE AGREEMENT TMS1002
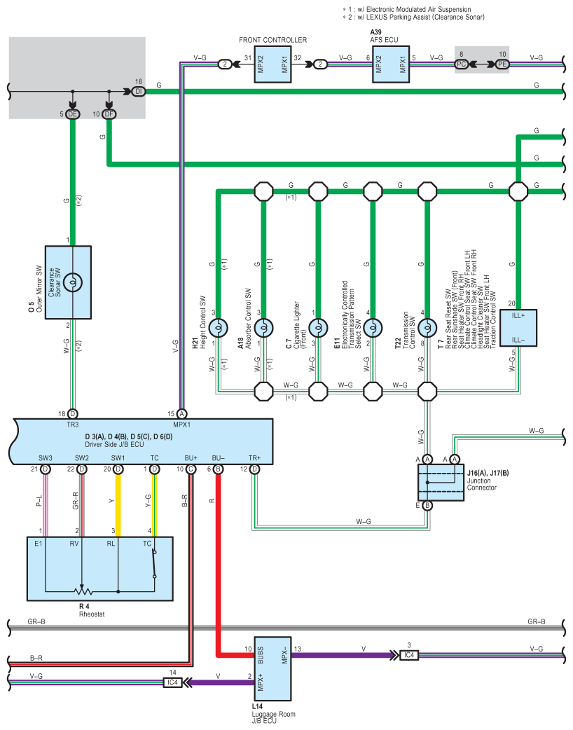
Fig 2: Illumination System Wiring Diagram (2 Of 6)
G08913757Courtesy of © TOYOTA, LICENSE AGREEMENT TMS1002
Fig 3: Illumination System Wiring Diagram (3 Of 6)
G08913758Courtesy of © TOYOTA, LICENSE AGREEMENT TMS1002
Fig 4: Illumination System Wiring Diagram (4 Of 6)
G08913759Courtesy of © TOYOTA, LICENSE AGREEMENT TMS1002
Fig 5: Illumination System Wiring Diagram (5 Of 6)
G08913760Courtesy of © TOYOTA, LICENSE AGREEMENT TMS1002
Fig 6: Illumination System Wiring Diagram (6 Of 6)
G08913761Courtesy of © TOYOTA, LICENSE AGREEMENT TMS1002