lemon-mirror:
Home >> Lexus >> 2006 >> LS 430 >> Repair and Diagnosis >> Electrical >> Body Electrical >> OEM System Circuits >> Moon Roof >> Notes

Moon Roof: Notes

Fig 1: Moon Roof System Wiring Diagram (1 Of 3)
G08913811Courtesy of © TOYOTA, LICENSE AGREEMENT TMS1002
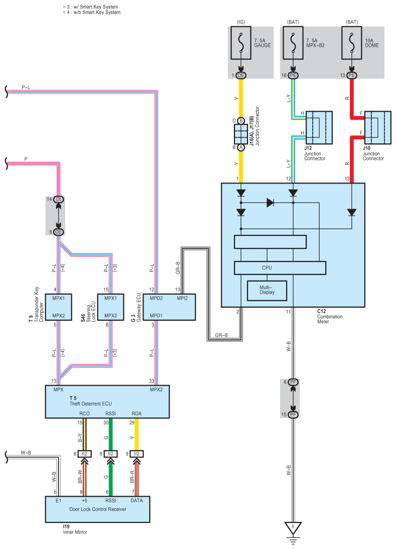
Fig 2: Moon Roof System Wiring Diagram (2 Of 3)
G08913812Courtesy of © TOYOTA, LICENSE AGREEMENT TMS1002
Fig 3: Moon Roof System Wiring Diagram (3 Of 3)
G08913813Courtesy of © TOYOTA, LICENSE AGREEMENT TMS1002