lemon-mirror:
Home >> Lexus >> 2006 >> LS 430 >> Repair and Diagnosis >> Electrical >> Body Electrical >> OEM System Circuits >> Multiplex Communication System - BEAN Bus >> Notes

Multiplex Communication System - BEAN Bus: Notes

Fig 1: Multiplex Communication System - BEAN Bus System Wiring Diagram (1 Of 3)
G08913697Courtesy of © TOYOTA, LICENSE AGREEMENT TMS1002
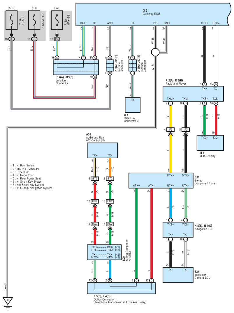
Fig 2: Multiplex Communication System - BEAN Bus System Wiring Diagram (2 Of 3)
G08913698Courtesy of © TOYOTA, LICENSE AGREEMENT TMS1002
Fig 3: Multiplex Communication System - BEAN Bus System Wiring Diagram (3 Of 3)
G08913699Courtesy of © TOYOTA, LICENSE AGREEMENT TMS1002