lemon-mirror:
Home >> Lexus >> 2006 >> LS 430 >> Repair and Diagnosis >> Electrical >> Body Electrical >> OEM System Circuits >> PPS >> Notes

OEM System Circuits: PPS: Notes

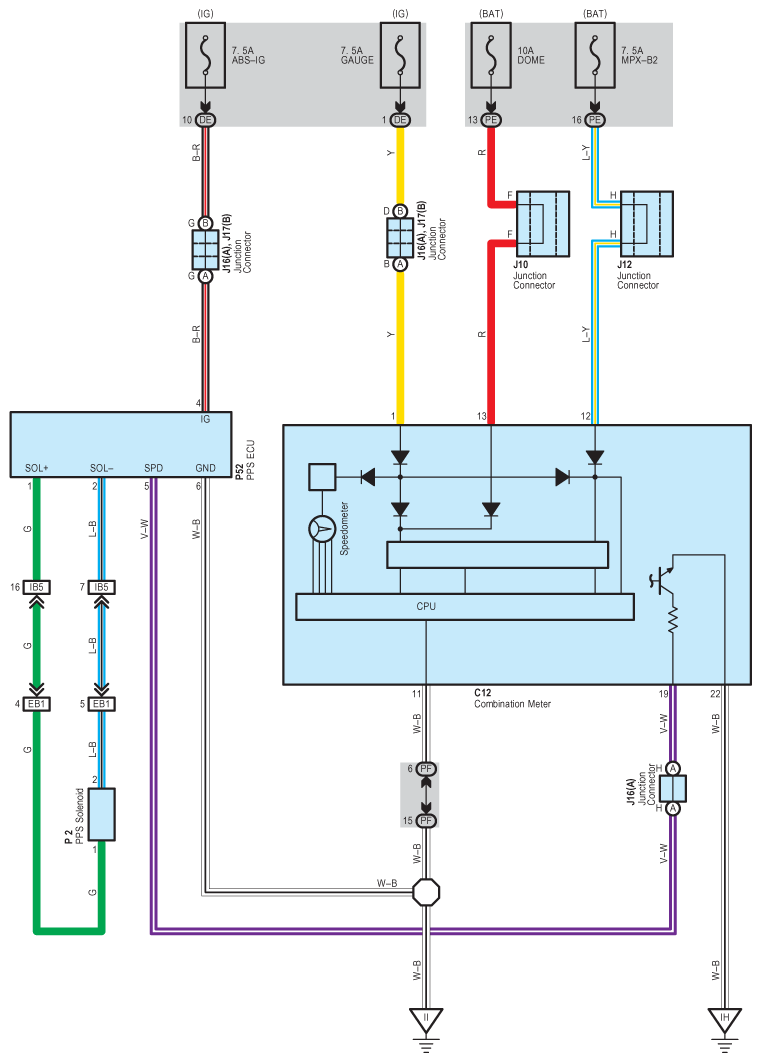
Fig 1: PPS System Wiring Diagram
G08913855Courtesy of © TOYOTA, LICENSE AGREEMENT TMS1002